ROHM Semiconductor BD68960EKV-C Stepping Motor Driver

ROHM Semiconductor BD68960EKV-C Stepping Motor Driver is a low-consumption bipolar driver driven by PWM current and a rated power supply voltage of 35V. This motor driver is AEC-Q100 qualified and features PARA-IN drive mode and a rated output current of 1.8A. The PARA-IN driving mode is adopted for input interface, and current decay mode is the SLOW DECAY. The BD68960EKV-C motor driver offers full-, half (two kinds)-, quarter-step functionality as well as open detection mask time selection function. This motor driver comes in an ultra-thin and high heat-radiation (exposed metal type) package and operates within the -40°C to 125°C temperature range. Typical applications include Exhaust Gas Recirculation (EGR) valve, printers, monitoring cameras, sewing machines, and robots.

Features

  • AEC-Q100 qualified
  • 1.8A rated output current (DC)
  • Low ON resistance H-bridge output
  • PARA-IN drive mode
  • Built-in noise-masking function (external noise filter is unnecessary)
  • Full-, half (two kinds)-, and quarter-step functionality
  • Open detection mask time selection function
  • Current limit mask time function
  • Built-in logic input pull-down resistor
  • Power ON Reset (POR) circuit
  • Thermal Shutdown (TSD) circuit
  • Over-Current Protection (OCP) circuit
  • Open error detection circuit
  • Diagnostics output circuit (open drain output)
  • Ultra-thin and high heat-radiation (exposed metal type) package

Applications

  • Exhaust Gas Recirculation (EGR) valve
  • Printer
  • PPC
  • Scanner
  • Monitoring camera
  • Sewing machine
  • Robot

Specifications

  • 35V input voltage
  • ±1.8A/phase output current
  • 0.35Ω output ON resistance
  • -40°C to 125°C operating temperature range

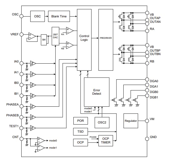
Block Diagram

Block Diagram - ROHM Semiconductor BD68960EKV-C Stepping Motor Driver

Typical Application Circuit

Application Circuit Diagram - ROHM Semiconductor BD68960EKV-C Stepping Motor Driver
Publicado: 2025-07-22 | Actualizado: 2025-08-04