ROHM Semiconductor BD9V100MUF-EVK-001 Evaluation Board

ROHM Semiconductor BD9V100MUF-EVK-001 Evaluation Board is designed to evaluate the BD9V10xMUF-LB Current Mode Synchronous Buck Converter. The BD9V10xMUF-LB Current Mode Synchronous Buck Converters feature a 16V to 60V wide range input voltage range and utilize a very short minimum pulse width (down to 20ns), which enables direct conversion from 60V power supply to 3.3V at 2.1MHz operation.

The BD9V100MUF-EVK-001 Evaluation Board does not have any switches or settings to configure. This allows the board to operate by applying the input voltage to the board's BAT+ and BAT- terminals.

Applications

  • Industrial equipment
  • Consumer supplies

Specifications

  • FR-4 material
  • 1.6mm board thickness
  • 1oz copper thickness
  • 80mm x 100mm board size
  • 0.15mm minimum copper width
  • 0.15mm minimum air gap
  • 0.3mm minimum hold gap

Overview

Location Circuit - ROHM Semiconductor BD9V100MUF-EVK-001 Evaluation Board

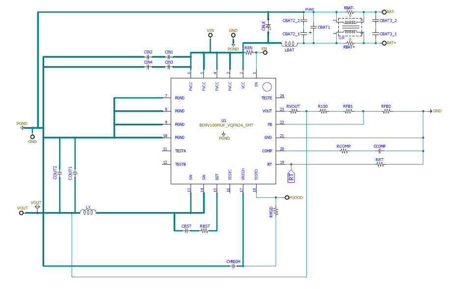
Schematic

Schematic - ROHM Semiconductor BD9V100MUF-EVK-001 Evaluation Board
Publicado: 2019-10-08 | Actualizado: 2024-02-06