ROHM Semiconductor BM2P06xMF-Z PWM DC-DC Converters
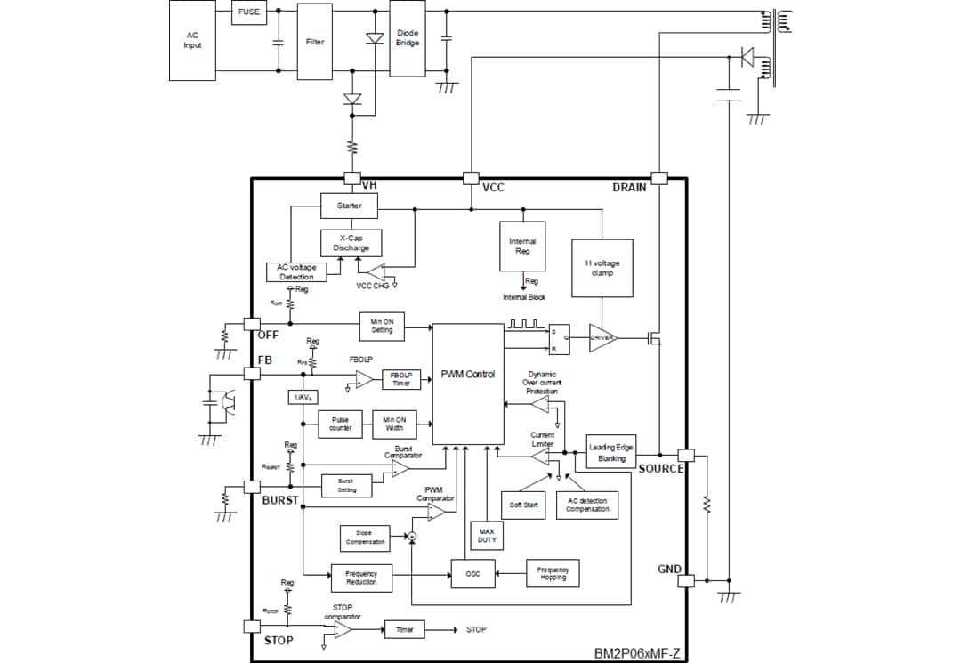
ROHM Semiconductor BM2P06xMF-Z PWM (Pulse-Width Modulation) DC-DC Converters provide an optimal system for applications that include an electrical outlet. These devices support isolated power supplies and enable simple designs of low power consumption electrical converters. The BM2P06xMF-Z DC-DC Converters realize a high degree of flexibility in power supply design by integrating a 650V switching MOSFET and an external current detection resistor.The ROHM Semiconductor BM2P06xMF-Z PWM DC-DC Converters are offered in a 12.8mm x 10.3mm SOP-20A package with a -40°C to +105°C operating temperature range.
Features
- AC low voltage protection function (AC UVLO)
- X capacitor discharge function
- VCC pin low voltage protection (VCC UVLO)
- PWM type current mode control
- Frequency reduction function
- Burst operation at light load
- Burst voltage setting function
- Minimum ON width adjustment at light load
- Soft Start function
- FB pin overload protection function (FB OLP)
- Overcurrent protection function by cycle
- Over-current detection compensation function by AC voltage detection
- External Stop function
- Dynamic over current protection
- Leading-edge blanking function
Applications
- AC adapters
- White goods
- Power supplies for motors
Specifications
- Operating power supply voltage range
- 11V to 60V VCC pin voltage
- 650V VH pin voltage
- 730V DRAIN pin voltage
- Current at switching operation
- BM2P060MF-Z: 1400μA
- BM2P061MF-Z: 1100μA
- BM2P063MF-Z: 850μA
- 400μA current at burst operation
- 65kHz switching frequency
- MOSFET ON Resistor
- BM2P060MF-Z: 70.0Ω
- BM2P061MF-Z: 1.00Ω
- BM2P063MF-Z: 3.00Ω
- -40°C to +105°C operating temperature range
- 12.8mm x 10.3mm x 2.65mm SOP-20A package
Output Comparison
Additional Resources
Typical Application Circuit
Block Diagram
Publicado: 2021-08-04
| Actualizado: 2022-03-11
