ROHM Semiconductor IGBT Intelligent Power Modules
ROHM Semiconductor IGBT Intelligent Power Modules (IPMs) Insulated-Gate Bipolar Transistors (IGBT) optimized for both high-speed and low-speed switching drives. These IPMs are comprised of gate drivers, bootstrap diodes, IGBTs, and flywheel diodes. The modules offer a collector current ranging from 3A to 80A and voltage ranging from 600V to 1800V. The ROHM Semiconductor IGBT IPMs feature 3-phase DC/AC inverter, low side IGBT open-emitter, high side IGBT gate driver, low side IGBT gate driver, and fault signal. Typical applications include low-speed and high-speed switching drives.Features
- 3-phase DC/AC inverter
- Optimized for both high-speed and low-speed switching drive
- Voltage ranging from 600V to 1800V
- Collector current ranging from 3A to 80A
- High-Side IGBT Gate Driver
- Silicon on Insulator (SOI) process
- Drive circuit
- High-voltage level shifting
- Current limit for bootstrap diode
- Control supply Under-Voltage Locked Out (UVLO)
- Low Side IGBT Gate Driver
- Drive circuit
- Short circuit Current Protection (SCP)
- Control supply UVLO
- Thermal Shutdown (TSD)
- Low-side IGBT open-emitter
- Built-in bootstrap diode
- Fault signal
- Input interface 3.3V and 5V line
Applications
- High-speed switching drive of motor
- Washing machine
- Fan
- Low-speed switching drive of motor
- Air conditioner
- Refrigerator
Specifications
- 1.5V typical IGBT Collector-Emitter Voltage (VCESAT)
- 1.5V typical Forward Voltage (VF)
- 100ns typical reverse recovery time (trr)
Additional Resources
- 600V IGBT Intelligent Power Module | BM63363S-VA and BM63363S-VC
- 660V IGBT Intelligent Power Module | BM63364S-VA and BM63364S-VC
- 660V IGBT Intelligent Power Module | BM63763S-VA and BM63763S-VC
- 660V IGBT Intelligent Power Module | BM63764S-VA and BM63764S-VC
- 660V IGBT Intelligent Power Module | BM63767S-VA and BM63767S-VC
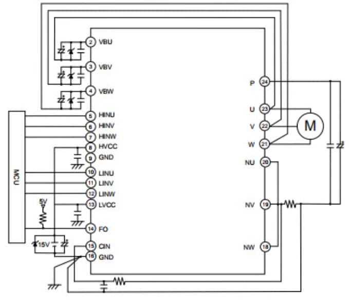
Typical Application Circuit
Publicado: 2017-09-15
| Actualizado: 2022-06-27
