ROHM Semiconductor White LED Drivers for Large LCD Panels
ROHM Semiconductor White LED Drivers for Large LCD Panels are high-efficiency drivers for white LEDs designed for large LCD panels. The BD9397EFV IC has built-in high current drive and high responsibility type 6-channel LED drivers and 1-channel boost DC/DC converter. White LED Drivers IC has built-in boost DC/DC converters that employ an array of LEDs as the light source. ICs have protected functions against fault conditions, such as the Over-Voltage Protection (OVP), Over Current limit Protection of DCDC (OCP), Short Circuit Protection (SCP), and open detection of LED string. These LED Drivers from ROHM Semiconductor are available for fail-safe designs over a wide range output voltage.Features
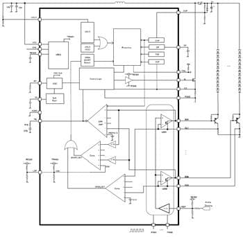
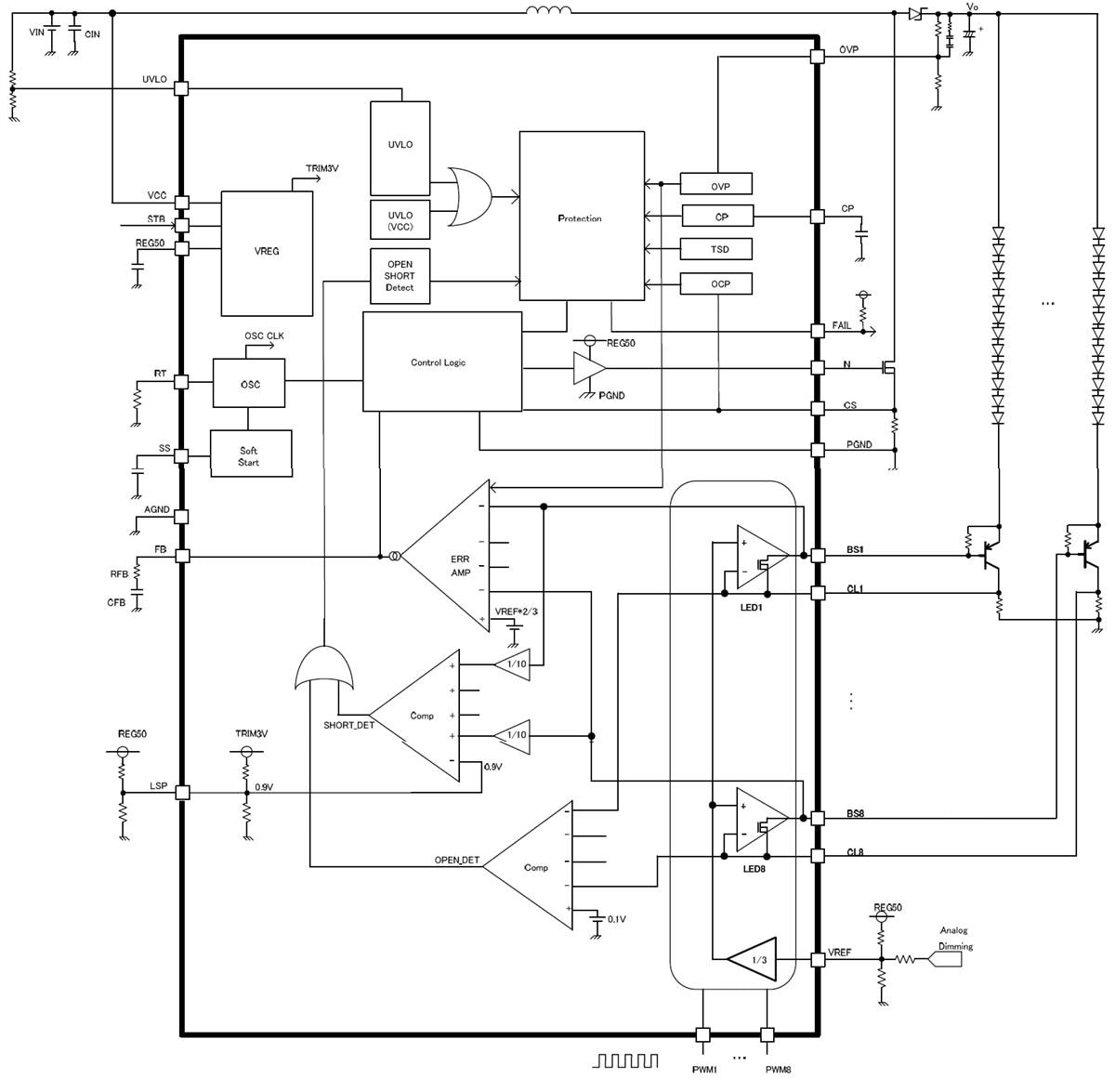
- BD9397EFV
- 6ch constant LED drivers, available 400mA drive per 1ch
- Constant current accuracy is ±1.8% (IC only)
- Each 6ch PWM inputs can control independent dimming
- Current analog (linear) dimming by VREF
- 1ch boost controller with current mode (external FET)
- Several protection functions DCDC part with OCP/OVP/UVLO/TSD LED driver part and OPEN, SHORT detection
- SHORT detection voltage is set by LSP terminal
- Error detection output FAIL terminal inside (normal=Open, error=Drain)
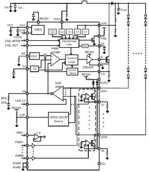
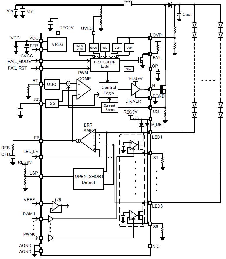
- BD9479FV
- 8ch LED constant current driver (external PNP Tr Type)
- Maximum LED setting current 500mA (VREF pin setting)
- Built-in DC/DC converter
- Analog Dimming (Linear) function
- Individual channel PWM Dimming function
- LED protection function (Open Short protection) (PWM-independent Type)
- Output short protection (OVP)
- Built-in Timer latch function (CP)
- Built-in FAIL indication function
- Built-in OVP voltage Feedback function
- Built-in PWM-independent soft start circuit
- SSOP-B40 Package
- Built-in under-voltage Lockout function (UVLO) and over-voltage protection (OVP)
- BD93941FP
- 4ch LED constant current driver and DC/DC converter
- 200mA maximum LED current
- 0.37V (@ADIM=2.5V) LED feedback voltage
- Adjustable feedback voltage by following LED Current setting
- ±2% LED current accuracy
- Analog current (Linear) dimming at ADIM pin
- 60V LED pin rating
- Individual detection and individual LED OFF for both open and short circuits
- Built-in ISET pin short-circuit protection circuit
- Set Soft-Start time by external capacitor
- FET’s Gate (N pin) is driven by 5.8V swing
- Built-in Vout discharge circuit for shutdown
- Built-in Vout overvoltage protection (OVP)/ reduced voltage protection (SCP) circuit
- HTSSOP-B20 and HSOP20 package with high heat radiation efficiency
Applications
- TV
- Computer display
- Notebook
- LCD backlighting
View Results ( 7 ) Page
| N.º de artículo | Hoja de datos | Paquete / Cubierta | Número de canales |
|---|---|---|---|
| BD65D00MUV-E2 | ![]() |
VQFN-28 | 4 Channel |
| BD9479FV-GE2 | ![]() |
SSOP-40 | 8 Channel |
| BD65520MUV-E2 | ![]() |
VQFN-40 | |
| BD18364EFV-ME2 | ![]() |
HTSSOP-30 | 8 Channel |
| BD5291GWL-E2 | ![]() |
WLCSP-5 | 1 Channel |
| BD9397EFV-GE2 | ![]() |
HTSSOP-40 | 6 Channel |
| BD9422EFV-E2 | ![]() |
HTSSOP-B-40 | 6 Channel |
Publicado: 2015-12-10
| Actualizado: 2025-01-29

