Schurter 3-Phase DIN Rail AC/DC Filters
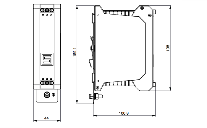
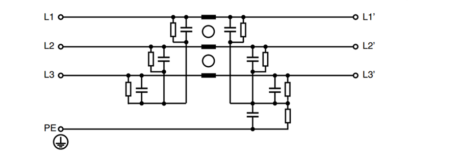
Schurter 3-Phase DIN Rail AC/DC Filters feature 1-stage standard line filters for 3-phase systems. The filters are available in standard or high-attenuation (HP) filter variants with a metal base plate for optimum ground connection to the rail. The filters provide a slim housing with snap-on DIN rail mounting, designed for a 3A to 32A rated current range. The Schurter 3-Phase DIN Rail AC/DC Filters are ideal for industrial and machine control systems, including laboratory, telecommunication, and IT equipment.Features
- 1-stage filter for 3-phase systems
- Line filter (standard)
- Standard or HP filter variants
- Slim housing with snap-on DIN rail mounting
- Metal base plate for optimum ground connection to rail
Applications
- 3-phase industrial applications
- Control cabinets
- Machine control systems
- Inverters
- Switching power supplies
- IEC/UL 62368-1 compliant equipment
Specifications
- 3A to 32A rated current range
- 300VAC to 520VAC rated voltage range at 50/60Hz
- >2.25kVDC dielectric strength between L-L
- 2.25kVDC dielectric strength between L-PE
- Screw-clamp terminals
- -40°C to +100°C operating temperature range
Schematic
Dimensions (mm)
Publicado: 2024-08-26
| Actualizado: 2024-09-04
