Skyworks Solutions Inc. Si88x Low EMC Evaluation Board

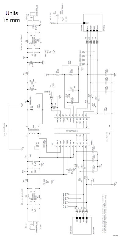
Skyworks Solutions Inc. Si88x Low EMC Evaluation Board is a self-contained kit without software control and is easy to use. This Si88x Low EMC EVB reference design with Si88241 offers instantiates techniques and mitigating emissions to pass the stringent requirements. The Si88241 digital isolator offers two MCUs on the primary and secondary sides to send SPI data across the isolators continuously. This Si88x low EMC evaluation board features bidirectional isolated data transfer of four channels with jumper-selectable SPI data rates. The Si88x low EMC evaluation board operates at 3.3V to 5V input voltage applied to J1. The power up to 100mA is available at J2, regulated 3.3V output power is available at J5, and the current draw is 40mA to 55mA after startup.

Features

  • Bidirectional isolated data transfer of four channels with jumper-selectable SPI data rates
  • Two MCUs on the primary and secondary sides
  • 3.3V to 5V applied to J1
  • 40mA to 55mA current draw after startup
  • 3.3V regulated output power available at J5

Dimension Diagram

Mechanical Drawing - Skyworks Solutions Inc. Si88x Low EMC Evaluation Board
Publicado: 2023-12-21 | Actualizado: 2024-01-10