STMicroelectronics L9907 Automotive FET Drivers
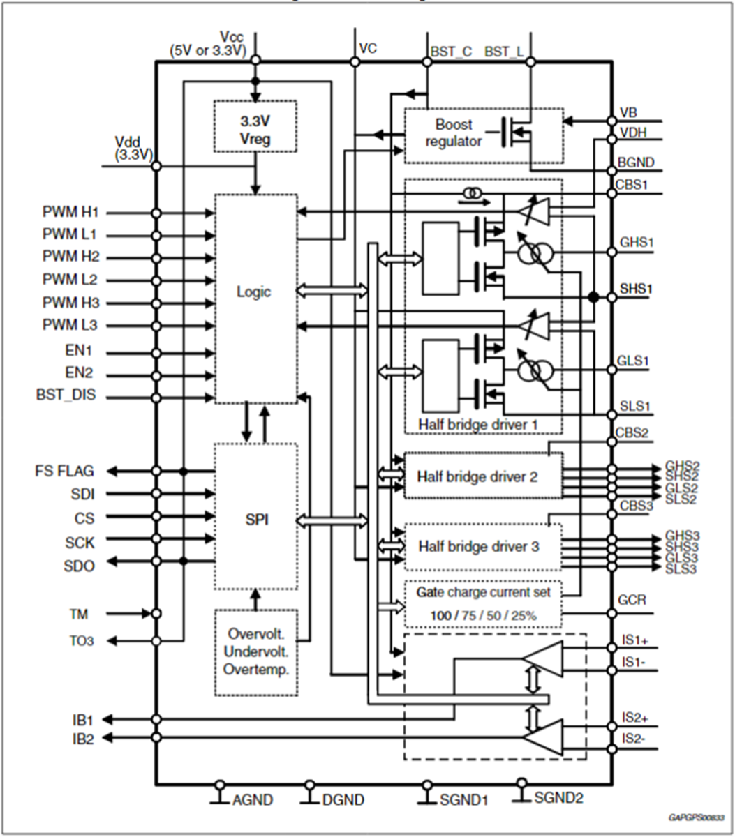
STMicroelectronics L9907 Automotive FET Drivers are smart power devices with advanced BCD-6s technology. The L9907 can drive all PowerMOS transistors for 3-phase BLDC motor applications. The circuit is suitable to operate in environments with high supply voltage like a double battery. Supply-related pins are capable of withstanding up to 90V and the device can control the six pre-driver channels independently.Features
- Supply voltage from 6V to 54V for working in single (12V systems), double (24V systems), and 48V battery applications
- The device can withstand -7V to 90V at the FET high-side driver pins
- 2-differential current sense amplifiers:
- Output offset selectable via SPI (0.2*VCC offset for ground shunt resistors connection, 0.5*VCC offset for phase shunt resistors connection)
- All the amplifier gain factors are programmable (10, 30, 50, 100)
- AEC-Q100 qualified
- Input pin for each gate driver
- Low standby current consumption
- 3.3V internal regulator supplied by VCC pin
- Boost regulator for full Rdson down to 6V and overvoltage protection
- 3 low-side + 3 high-side drivers:
- PWM operation up to 20kHz
- Gate driver current adjustable via SPI in 4 steps. Range set via an external resistor. Maximum gate-controlled current 600mA
- Source connection to each MOSFET
Videos
Block Diagram
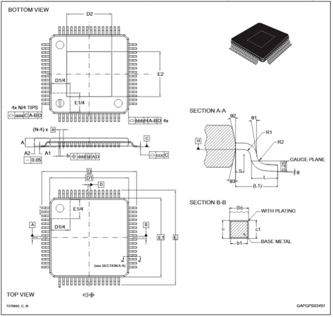
Dimensions
Publicado: 2017-06-07
| Actualizado: 2022-05-31
