STMicroelectronics STDRIVE101 Triple Half-Bridge Gate Driver

STMicroelectronics STDRIVE101 Triple Half-Bridge Gate Drivers are low-voltage gate drivers suitable for driving three-phase brushless motors. These single chips with three half-bridge gate drivers for N-channel power MOSFETs offer a 600mA current capability (sink/source) for each driver. The integrated low-drop linear regulator generates the supply voltage for both low-side and high-side gate drivers through bootstrap circuitry. The devices provide undervoltage lockout (UVLO) on the low- and high-side sections to keep the power switches from operating in low-efficiency or dangerous conditions. STMicroelectronics STDRIVE101 Triple Half-Bridge Gate Drivers are available in a VFQFPN24 package, with a -40°C to +125°C operating temperature range.

Features

  • Wide 5.5V to 75V operating voltage
  • 600mA sink/source current capability
  • 3.3V and 5V control logic
  • Input strategies
    • ENx/INx with adjustable deadtime generation
    • INHx/INLx with interlocking
  • Matched propagation delay for all channels
  • Short 40ns propagation delay
  • Integrated bootstrap diodes
  • 12V LDO linear regulator (50mA maximum)
  • Embedded VDS monitor for each external MOSFET
  • Overcurrent comparator
  • UVLO and thermal shutdown protection
  • Standby mode for low current consumption operation
  • -40°C to +125°C operating temperature range
  • 4mm x 4mm VFQFPN24 package

Applications

  • Home automation
  • Appliances
  • E-bikes
  • Power tools
  • Fans and pumps
  • Industrial automation
  • Textile machines
  • Gaming and consoles

Videos

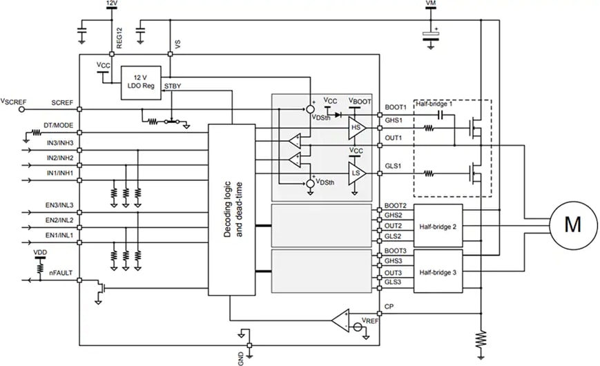
Block Diagram

Block Diagram - STMicroelectronics STDRIVE101 Triple Half-Bridge Gate Driver

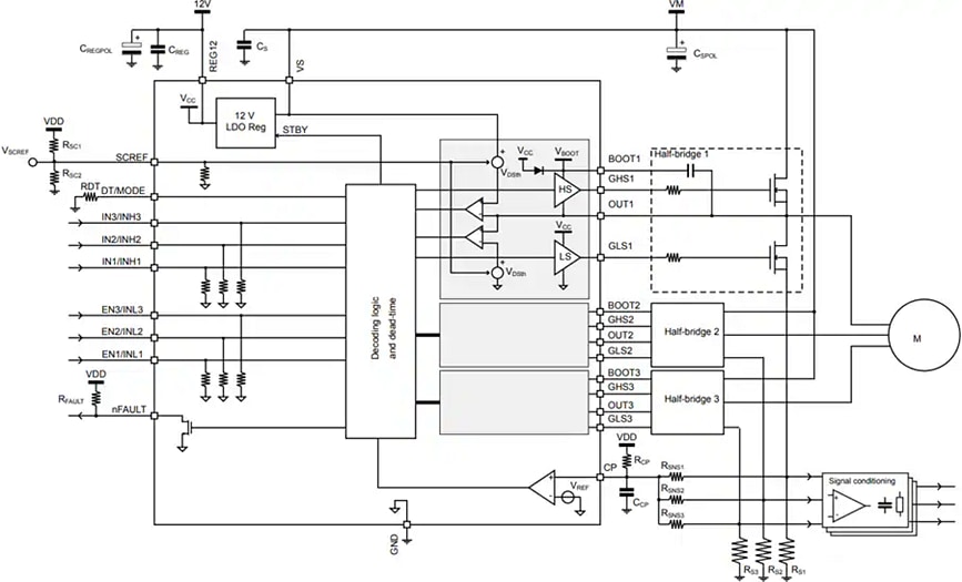
Typical Application Circuit

Application Circuit Diagram - STMicroelectronics STDRIVE101 Triple Half-Bridge Gate Driver
Publicado: 2020-11-13 | Actualizado: 2024-12-30