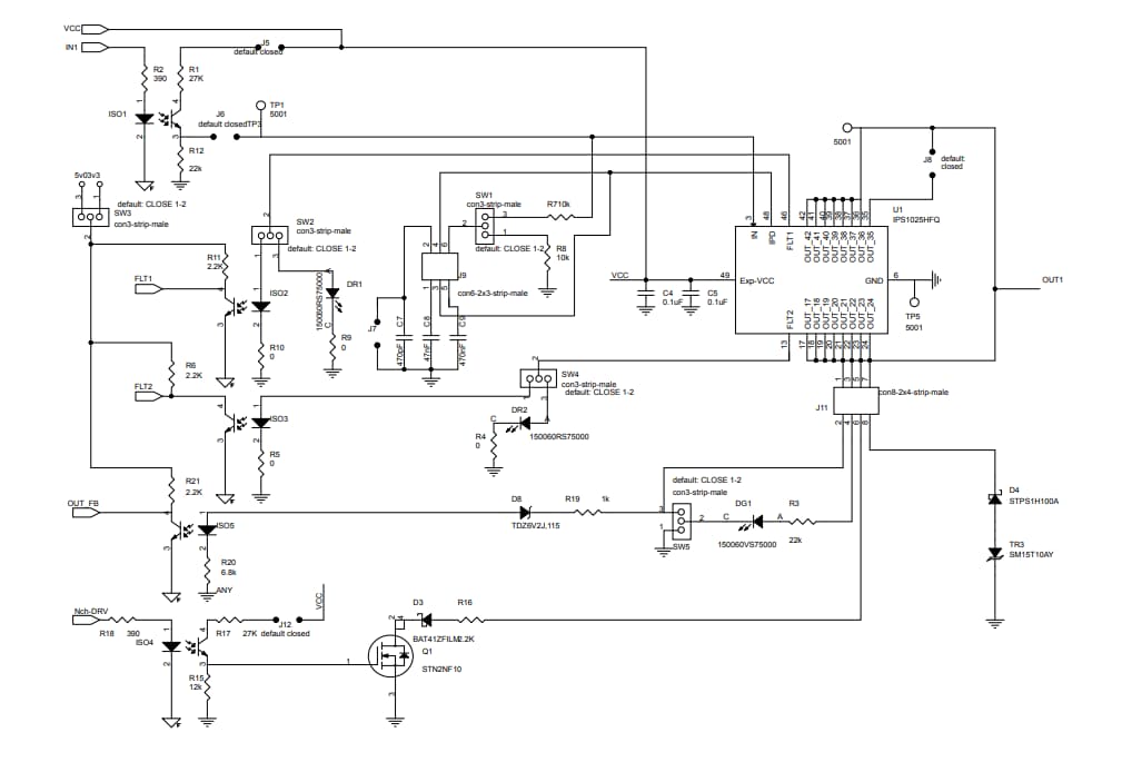
STMicroelectronics STEVAL-IFP040V1 Expansion Board
STMicroelectronics STEVAL-IFP040V1 Expansion Board is an industrial digital output expansion board based on IPS1025HF in a QFN48L package. The STEVAL-IFP040V1 offers a powerful and flexible environment for the evaluation of the driving and diagnostic capabilities of the IPS1025HF. The IPS1025HF is a single high-side, smart power, solid-state relay in a digital output module connected to 2.5A industrial loads.The STM STEVAL-IFP040V1 can interface with the microcontroller on the STM32 Nucleo through 5kV optocouplers driven by the GPIO pins and Arduino® UNO R3 connectors. The expansion board allows the connection to either a NUCLEO-F401RE or a NUCLEOG431RB development board. Users can also evaluate a system combining a STEVAL-IFP045V1 stacked on a STEVAL-IFP040V1 expansion board.
Supplying the STEVAL-IFP045V1 via the main supply rail and the STEVALIFP040V1 through the output of the STEVAL-IFP045V1, users can accomplish the typical architecture of a single channel digital output for safety systems. The process stages of the two expansion boards result in a cascaded device. The load connected to the STEVALIFP040V1 production can be delivered only when both cascaded systems work appropriately.
Features
- Based on the IPS1025HF single high-side switch, which features:
- Operating range up to 60V
- Low-power dissipation (RON(MAX) = 25mΩ)
- Propagation delay at startup < 60µs
- Fast decay for inductive loads
- Smart driving of capacitive load
- Under-voltage lock-out
- Overload and overtemperature protections
- QFN48L 8mm x 6mm package
- 8V to 33V/0A to 2.5A Application board operating range
- Extended voltage operating range (J3 open) up to 60V
- Green LED for output on/off status (J11 close 3-4 and SW5 close 1-2)
- Red LEDs for overload and overheating diagnostics (SW2 and SW4 close 2-3)
- Output voltage on/off status feedback (J11 close 1-2)
- Control signal for fast discharge of output voltage (J11 close 5-6, J12 close)
- External fast discharge circuitry for huge inductive loads (J11 close 7-8)
- 5kV galvanic isolation
- Supply rail reverse polarity protection
- Compatible with STM32 Nucleo development boards
- Equipped with Arduino® UNO R3 connectors
- CE certified
- RoHS and China RoHS compliant
- Not FCC approved for resale
Circuit Schematic
