STMicroelectronics STSPIN32G025x 250V Three-Phase BLDC Controllers

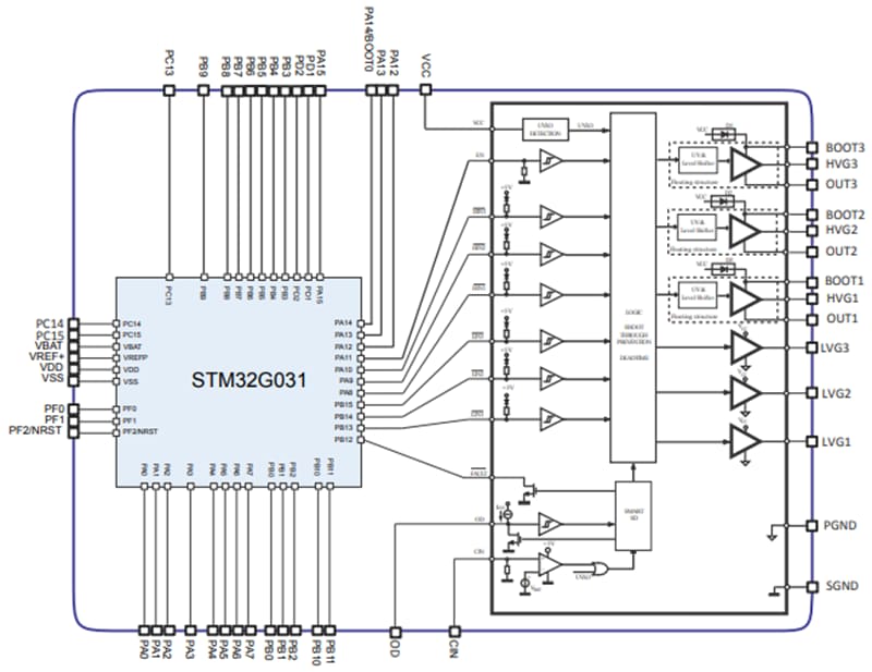
STMicroelectronics STSPIN32G025x 250V Three-Phase BLDC Controllers are an integrated solution for driving three-phase applications. STMicroelectronics STSPIN32G025x has an embedded STM32G031x8x3 MCU and a 250V triple half-bridge gate driver. The controllers support N-channel power MOSFETs or IGBTs. The device includes a smartSD comparator for quick and effective overload and overcurrent protection. Integrated features include high-voltage bootstrap diodes, anti-cross-conduction, dead time, UVLO protection on both driving sections, and matched delays for distortion-free cycles.

Features

  • Three-phase gate drivers
    • High-voltage rail up to 250V
    • dV/dt transient immunity ±50V/ns
    • Gate driving voltage ranges from 9V to 20V
  • Driver current capability
    • 200/350mA source/sink current at +25°C (STSPIN32G0251)
    • 1.00/0.85A source/sink current at +25°C (STSPIN32G0252)
  • 32-bit Arm® Cortex®-M0+ MCU core
    • Up to 64MHz clock frequency
    • 8-Kbyte SRAM with hardware parity check
    • 64-Kbyte flash memory with protection and securable area
    • CRC calculation unit
  • Up to 32x general-purpose I/O ports (GPIO)
  • 1x advanced timer for motor control, 16-bit with up to 6x PWM channels
  • 5x general-purpose timers (1x 32-bit)
  • 2x low-power timers
  • 12-bit ADC converter (up to 15x channels) with 2MSps conversion rate
  • 5-channel DMA controller with flexible mapping
  • Internal high-precision voltage reference
  • Full set of interfaces: 2x I2C, 2x SPI, 3x UART, and 1x low-power UART
  • Matched propagation delay for all channels
  • Integrated bootstrap diodes
  • Comparator for fast overcurrent protection
  • UVLO, interlocking, and deadtime functions
  • Smart shutdown (smartSD) function
  • Standby mode for low power consumption
  • On-chip debug support via SWD
  • -40°C to +125°C extended temperature range
  • QFN 10mm x 10mm 72L pitch 0.5mm creepage 1.8mm package

Applications

  • Three-phase motor drivers
  • Inverters
  • Industrial appliances and fans

Block Diagram

Block Diagram - STMicroelectronics STSPIN32G025x 250V Three-Phase BLDC Controllers
Publicado: 2024-02-28 | Actualizado: 2024-03-15