STMicroelectronics Teseo-LIV4F Tiny GNSS Dual-Band Modules
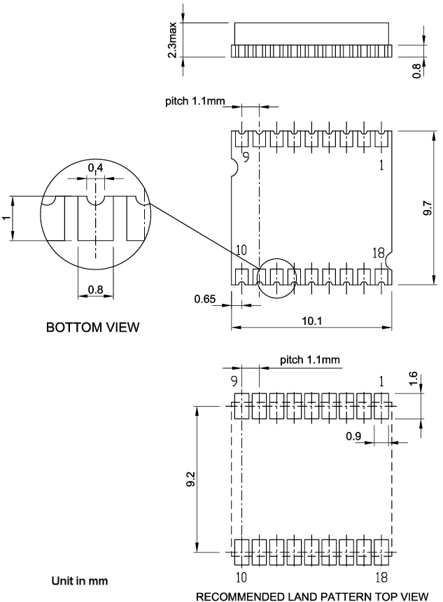
STMicroelectronics Teseo-LIV4F Tiny GNSS Dual-Band Modules are easy-to-use Global Navigation Satellite System (GNSS) standalone low-power modules. These modules embed Teseo IV single die standalone positioning receiver IC that works simultaneously on multiple constellations (GPS/Galileo/Glonass/BeiDou/QZSS). The Teseo-LIV4F modules offer an onboard Temperature Compensated Crystal Oscillator (TCXO), Time To First Fix (TTFF), and dedicated Real Time Clock (RTC) oscillator. These Teseo-LIV4F modules come in a 9.7mm x 10.1mm compact package size. Typical applications include insurance, goods tracking, drones, tolling, anti-theft systems, people and pet location, vehicle tracking, emergency calls, fleet management, diagnostics, and public transportation.Features
- Simultaneous multi-constellation and multi-band GNSS (GPS/Galileo/Glonass/ BeiDou/QZSS)
- IRNSS constellation ready
- -162dBm tracking sensitivity
- Submeter positioning accuracy
- Embedded flash
- Firmware upgrade
- Free firmware configuration
- 3V to 3.63V VCC/VBAT supply voltage range
- 9.7mm x 10.1mm tiny LCC-18 pin package
- -40°C to 85°C operating temperature range
- 10μA standby current consumption and 48.8mA GNSS L1 and L5 tracking current consumption
Applications
- Insurance black boxes
- Goods tracking
- Drones
- Tolling
- Anti-theft systems
- People and pet location
- Vehicle tracking
- Emergency calls
- Fleet management
- Vehicle sharing
- Diagnostics
- Public transportation
Module Block Schematic
Dimension Diagram
Videos
Publicado: 2023-05-09
| Actualizado: 2024-05-15
