STMicroelectronics STEVAL-MKI201V1K Evaluation Kit

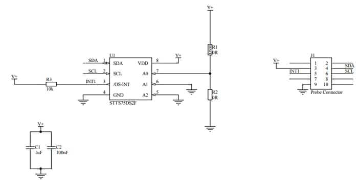
STMicroelectronics STEVAL-MKI201V1K Evaluation Kit consists of a probe with the STTS75 temperature sensor connected via a flat cable to the STEVAL-MKIGIBV1 adapter board. This creates an interface with the STEVAL-MKI109V3 motherboard. The STMicroelectronics STEVAL-MKI201V1K evaluation kit features a small package that allows it to be mounted on top of a very thin probe. This helps record temperature readings that aren't influenced by heat from other electronic components or boards. The STEVAL-MKI201V1K evaluation kit provides a complete STTS75 pinout with the required VDD power supply line decoupling capacitors. The STEVAL-MKIGIBV1 adapter board can be plugged into a standard DIL24 socket. The STEVAL-MKI109V3 motherboard features a high-performance 32-bit microcontroller that bridges the sensor and a PC.

Features

  • User-friendly STTS75 temperature sensor board
  • Complete STTS75 pinout for a standard DIL24 socket
  • Fully compatible with STEVAL-MKI109V3 motherboard
  • RoHS compliant
  • WEEE compliant

STEVAL-MKI201V1K Evaluation Kit Schematic Diagram

Schematic - STMicroelectronics STEVAL-MKI201V1K Evaluation Kit
Publicado: 2019-03-06 | Actualizado: 2025-12-12