STMicroelectronics L99H92 Automotive Half-Bridge Pre-Drivers

STMicroelectronics L99H92 Automotive Half-Bridge Pre-Drivers drive four external N-channel MOSFET transistors in single H-bridge or dual independent half-bridge configuration for DC Motor control in automotive applications. Two free configurable current sense amplifiers are also integrated. In low power mode (standby mode), the current consumption is less than 5µA. The programmable gate driving current allows for minimizing EMI. Each gate driver monitors (independently) its external MOSFET drain-source voltage for fault conditions. Programmable cross-current protection time avoids high- and low-side activation concurrency for each half bridge.

The STMicroelectronics L99H92 features two off-state diagnostic comparators that detect potential short-to-ground, short-to-battery, or open-load conditions. The integrated standard serial peripheral interface (SPI) controls the device and provides diagnostic information. An additional DIAGN output pin alerts the microcontrollers of a fault occurring in the device faster than the SPI communication. The L99H92 device implements diagnostic and protection features such as supply voltage monitoring, charge pump voltage monitoring, overcurrent protection, temperature warning, and overtemperature shutdown. The devices are hosted in a TQFP32 and a QFN32 package, both with exposed pads. QFN32 has wettable flanks for easy visual inspection of the solder joint.

Features

  • AEC-Q100 qualified
  • Power supply operating range from 4.51V to 28V (gate drivers operative from 5.41V)
  • 3.3V/5V compatible I/Os
  • All pins linked to the microcontroller, fail-safe input and VDD are made tolerant to battery exposure
  • Dual half-bridge driver compatible with standard-level threshold NMOSFETs
  • Configurable full-bridge or dual independent half-bridge control, programmable recirculation path in case of full-bridge control
  • Dual-stage charge pump supporting 100% PWM duty cycle down to 5.41V battery voltage
    • High and low side minimum VGS=6.2V at VDH=5.5V and charge pump load current (ICPLOAD) equal to 5mA
    • High and low side minimum VGS=8.2V at VDH≥8V and charge pump load current (ICPLOAD) equal to 10mA
  • Charge pump output available for driving an external reverse battery NMOSFET protection
  • Programmable gate driving current (up to 170mA) for output voltage slew rate control
  • Programmable drain-source monitoring for overcurrent protection and programmable cross-current protection time (dead time)
  • Open load and output short circuit detection in off-state diagnostic mode
  • SPI for control and diagnosis (ST SPI 4.1)
  • Programmable diagnostic output
  • 2x independent current sense amplifiers
    • Low offset with extremely low thermal drift
    • Suitable for high-side, in-line, and low–side current sensing
    • Independently programmable gain (10x, 20x, 50x, 100x)
    • Analog output centered at VDD/2 or VDD/22
  • Overtemperature prewarning and shutdown
  • Analog and digital power supply inputs over/undervoltage protections
  • Asynchronous and logic-independent fail-safe input to switch off all the MOSFETs
  • Low quiescent current
  • Support for random HW faults up to ASIL B
  • QFN32 (with wettable flanks) or TQFP32 (7mm x 7mm) package options
  • RoHS compliant device

Applications

  • Sun-roofs
  • Power trunk liftgates
  • Sliding doors
  • Window lift, seat-belt pre-tensioners, and more

Block Diagram

Block Diagram - STMicroelectronics L99H92 Automotive Half-Bridge Pre-Drivers

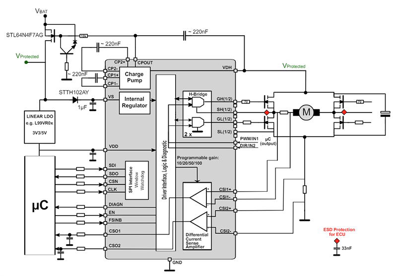
Applications Schematic

Application Circuit Diagram - STMicroelectronics L99H92 Automotive Half-Bridge Pre-Drivers
Publicado: 2024-05-02 | Actualizado: 2024-05-14