TE Connectivity LUMAWISE Type Z45 LED Holders
TE Connectivity's (TE) LUMAWISE Type Z45 LED Holders are designed for chip-on-board (COB) LEDs and promote a high-strength, highly reflective, halogen-free housing material. Features include adhesive tape and poke-in wire connections for fast and easy assembly without the need for a clamping system. A standard 35mm screw pitch enables the use of standard heat sink drilling and mounting procedures, while a 120° optic angle keeps light loss to a minimum. TE's LUMAWISE Type Z45 LED Holders are compliant with the Zhaga book 3 standard and compatible with other Zhaga LED lighting components.Features
- Quick and easy assembly of the COB LEDs in the luminaire
- Optics close to light emitting area
- Minimal light loss with 120° optic angle
- Simplified interchangeability between LEDs (conform to Zhaga standards)
- Low-profile
- Poke-in contact
- Halogen-free
- LED-clamping
- High COB board size tolerance
- Even distribution of pressure from LED across the heat sink
Specifications
- 3A maximum current
- 60VDC maximum voltage
- Uses a screw size of #4 or M3 for attachment
- Poke-in style electrical contacts support 22AWG to 18AWG solid, fused, and stranded wire
- Compliant with Zhaga book 3 standard
- -40°C to +105°C operating temperature range
- Halogen-free, highly reflective PBT
- Copper-alloy contacts with gold plating
Applications
- Spotlights
- Downlights
- Track lights
- Streetlights
- General lighting
- Horticultural lighting
Additional Resources
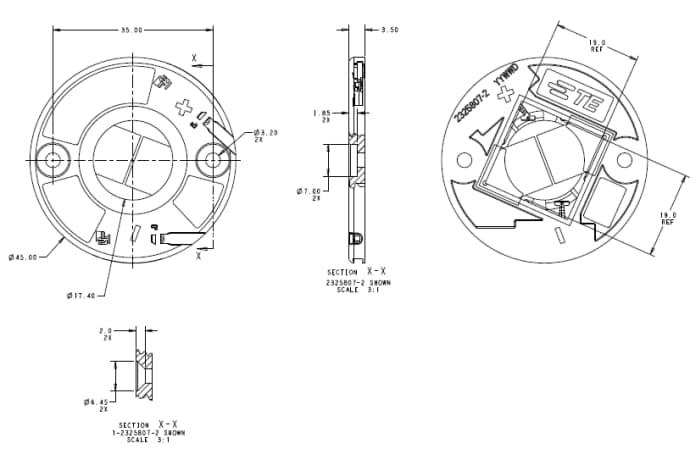
Product Dimensions
Publicado: 2018-06-25
| Actualizado: 2025-05-08
