Teledyne Relays STHC Single-Phase Industrial Solid-State Relays
Teledyne Relays STHC Single-Phase Industrial Solid-State Relays (SSRs) feature highly reliable industrial AC relays, capable of handling any load type, including resistive, inductive, and capacitive loads. The SSRs prioritize safety with integrated transient and overvoltage protections (OVP), and the STHC series has LED indicators for clear status indication and a clip-on IP20-rated protective cover. The relays offer zero-cross or random switching and direct copper bonding (DCB) technology for reliable functionality. The Teledyne Relays STHC Single-Phase Industrial SSRs provide self-lifting, heavy-duty terminals for robust connections and two input ranges for user flexibility in industrial applications.Features
- Zero-cross or random switching
- AC SSR
- DCB technology
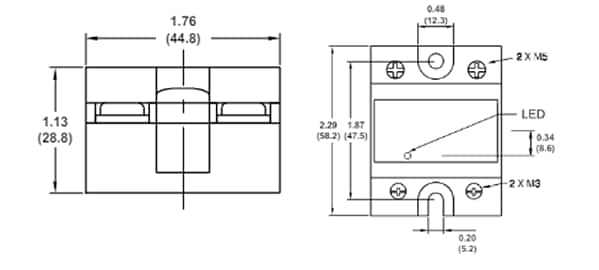
- LED indicator
- Clip-on IP20 protective cover
- Self-lifting terminals
- Housing free of molding mass
- Two input ranges
- High operational voltage and current ratings
- High blocking voltage rating
- Integrated OVP via self-switching
Specifications
- 24VACrms to 660VACrms operating voltage range
- ≥650Vp to ≥1200Vp blocking voltage range
- ≤10V zero voltage turn-on rating
- 45Hz to 65Hz operational frequency range
- >0.5 power factor at 230VACrms to 600VACrms
- 4000Vrms isolation rating
- UR, cUR, CSA approval
- CE, UKCA certified
- -40°C to +80°C operating temperature range
- -40°C to +100°C storage temperature range
Block Diagram
Dimensions (mm)
Publicado: 2024-05-30
| Actualizado: 2024-06-12
