Texas Instruments AMC0380D & AMC0380D-Q1 Isolated Amplifiers

Texas Instruments AMC0380D and AMC0380D-Q1 Isolated Amplifiers are precision, galvanically isolated amplifiers with a high-voltage AC, high impedance input, and fixed-gain differential output. These amplifiers are available in ±400 and ±600V two linear input voltage ranges and achieve better than 1% accuracy over the full temperature range. The AMC0380D and AMC0380D-Q1 isolated amplifiers are available in a 15-pin, 0.65mm pitch SSOP package. The AMC0380D-Q1 devices are AEC-Q100 qualified for automotive applications. These amplifiers are available in a 15-pin, 0.65mm pitch SSOP package with a fully specified over the temperature range from -40°C to 125°C. Typical applications include Server Power-Supply Units (PSU), Energy Storage Systems (ESS), solar inverters, EV charging stations, and traction inverters

Features

  • Integrated, high-voltage resistive divider for direct AC voltage sensing without external resistors
  • Differential output
  • Supply voltage range:
    • 3V to 5.5V high-side (VDD1)
    • 3V to 5.5V low-side (VDD2)
  • Low DC errors:
    • ±0.8mV (maximum) offset error
    • ±10µV/°C (maximum) offset drift
    • ±0.25% (maximum) attenuation error
    • ±40ppm/°C (maximum) attenuation drift
    • 0.025% (maximum) nonlinearity
    • 150V/ns (minimum) high CMTI
  • Meets CISPR-11 and CISPR-25 limits, low EMI
  • Available input options:
    • AMC0380D04: ±400V, 8.3MΩ
    • AMC0380D06: ±600V, 10MΩ
  • Safety-related certifications:
    • 7000VPK reinforced isolation per DIN EN IEC 60747-17 (VDE 0884-17)
    • 5000VRMS isolation for 1 minute per UL 1577
  • -40°C to 125°C fully specified over the extended industrial temperature range
  • AEC-Q100 qualified for automotive applications (AMC0380D-Q1)

Applications

  • Server Power-Supply Units (PSU)
  • Energy Storage Systems (ESS)
  • Solar inverters
  • EV charging stations
  • Traction inverters
  • Onboard chargers
  • DC/DC converters
  • Battery junction boxes

Functional Block Diagram

Block Diagram - Texas Instruments AMC0380D & AMC0380D-Q1 Isolated Amplifiers

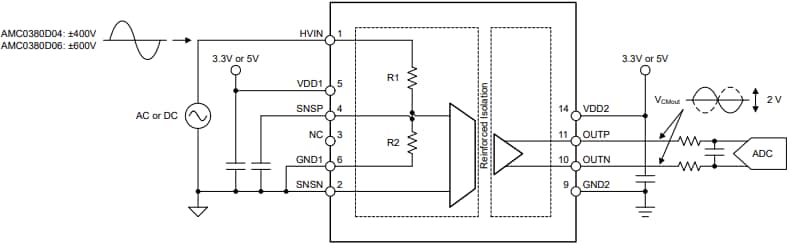
Typical Application Diagram

Application Circuit Diagram - Texas Instruments AMC0380D & AMC0380D-Q1 Isolated Amplifiers
Publicado: 2026-01-08 | Actualizado: 2026-03-04