Texas Instruments DAC39RF10 & DAC39RFS10 DACs
Texas Instruments DAC39RF10 and DAC39RFS10 Digital-to-Analog Converters (DACs) offer dual and single channel options with 16-bit resolution. The DAC39RF10 and DAC39RFS10 adjust for noninterpolation or interpolation for direct RF sampling or complex baseband signal generation. The devices provide a 20.48GSPS maximum input data rate for a single channel or 10.24GSPS for two channels.The TI DAC39RF10 and DAC39RFS10 DACs can generate signals of up to 10GHz, 7.5GHz, and 5GHz signal bandwidth (8, 12, and 16-bit input resolution) at carrier frequencies exceeding 8GHz enabling direct sampling through C-band and into X-band.
The high sampling rate, output frequency range, 64-bit NCO frequency resolution, and any frequency hopping with phase coherence make the devices capable of arbitrary waveform generation (AWG) and direct digital synthesis (DDS).
A JESD204B and JESD204C compatible serial interface has 16 receiver pairs capable of up to 12.8Gbps. The interface is JESD204B and JESD204C subclass-1 compliant for deterministic latency and multi-device synchronization through SYSREF.
Features
- 16-bit, 10.24/20.48GSPS, Multi-Nyquist DAC core
- Maximum input data rate:
- 8-bit, Single channel, DES mode at 20.48GSPS
- 12-bit, Single channel, DES mode at 15.5GSPS
- 16-bit, Single channel at 10.24GSPS
- 8-bit, Dual channel, 10.24GSPS
- 12-bit, Dual channel at 7.75GSPS/ch
- 16-bit, Dual channel at 6.2GSPS/ch
- Output bandwidth (-3dB) at 12GHz
- Performance at fOUT = 2.997GHz, DES2XL mode, DEM/Dither off
- Noise floor (small signal) at -155dBFS/Hz
- SFDR (-0.1dBFS) at 60dBc
- IMD3 (-7dBFS for each tone) at -62dBc
- Additive phase noise, 10kHz offset at -138dBc/Hz
- Four integrated digital up-converters (DUC)
- Interpolation of 1x, 2x, 3x, 4x, 6x, 8x ... 256x
- Complex baseband DUC for I/Q output
- Complex to real upconversion for dual channel direct RF sampling
- 64-bit frequency resolution NCOs
- Fast reconfiguration interface for fast frequency hopping
- 4-bit data with 200MHz clock
- 60ns reconfiguration (32-bit frequency)
- Any frequency hopping with phase coherence
- JESD204C Interface
- Up to 16 Lanes at up to 12.8Gbps
- Class C-S, Subclass-1 compatible
- Internal AC coupling capacitors
- SYSREF Windowing for automatic SYSREF timing calibration
Applications
- Satellite Communications (SATCOM)
- Phased array antenna systems
- Synthetic Aperture Radar (SAR) exciter
- Wireless communications testers
- Arbitrary Waveform Generator (AWG)
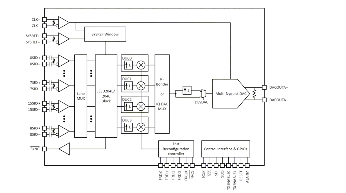
Single Channel Block Diagram
Dual Channel Block Diagram
Publicado: 2024-01-25
| Actualizado: 2024-10-30
