Texas Instruments DRV2510-Q1 Automotive Haptic Driver

Texas Instruments DRV2510-Q1 Automotive Haptic Driver is specifically designed for inductive loads, such as solenoids and voice coils. The output stage consists of a full H-bridge capable of delivering 3A of peak current. The DRV2510-Q1 device provides protection functions such as under-voltage lockout, over-current, and over-temperature protection. The Texas Instruments DRV2510-Q1 device is automotive qualified. The integrated load-dump protection reduces external voltage clamp cost and size, and the onboard load diagnostics report the status of the actuator through the digital interface.

Features

  • Wide operating voltage (4.5V – 18V)
  • Integrated load-dump protection (40V)
  • High current drive (3A peak)
  • Low RDS(on), full H-bridge output
  • Integrated diagnostics
  • Integrated fault protection
    • 40V load dump protection per ISO-7637-2
    • Short-circuit protection
    • Over-temperature protection
    • Over-voltage and under-voltage protection
    • Fault reporting
  • Analog input
  • I2C communication
  • Dedicated interrupt pin
  • Qualified according to AEC-Q100 Grade 2
  • –40ºC to 125ºC ambient temperature range
  • ISO9000: 2002 TS16949 Certified

Applications

  • Automotive haptic applications
    • Infotainment
    • Center-console
    • Steering wheel
    • Door-panel
    • Seats
  • Electromagnetic actuator driver
    • Voice coil
    • Solenoid
  • Mechanical button replacement

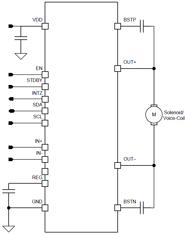
Simplified Schematic

Schematic - Texas Instruments DRV2510-Q1 Automotive Haptic Driver
Publicado: 2017-03-06 | Actualizado: 2025-03-05