Texas Instruments DRV2901 PWM-Input Piezo Transducer Driver
Texas Instruments DRV2901 PWM-Input Piezo Transducer Driver is a high-performance lens cleaner transducer driver. This system only requires a simple passive LC demodulation filter to deliver high-quality, high-efficiency amplification with proven EMI compliance. This device requires two power supplies, at 12V for GVDD and VDD and 12V to 48V for PVDD. The DRV2901 does not require power-up sequencing due to an internal power-on reset.The Texas Instruments DRV2901 has an innovative protection system integrated on-chip, safeguarding the device against various fault conditions that could damage the system. These safeguards are short-circuit protection, overcurrent protection, undervoltage protection, and overtemperature protection. The DRV2901 has a proprietary current-limiting circuit that reduces the possibility of device shutdown during high-level transients.
Features
- Wide 12V to 48V supply voltage operation
- Supports up to 50W peak power
- Integrated self-protection circuits, including
- Short circuit
- Overcurrent
- Undervoltage
- Overtemperature
- High-efficiency power stage with 90mΩ output MOSFETs
- Power-on reset for protection on power up without any power-supply sequencing
- 44-pin HTSSOP package (DDV)
- -40°C to +125°C operating temperature range
Applications
- Thermal imaging cameras
- Traffic monitoring cameras
- Drone vision
- Machine vision cameras
- Wireless security cameras
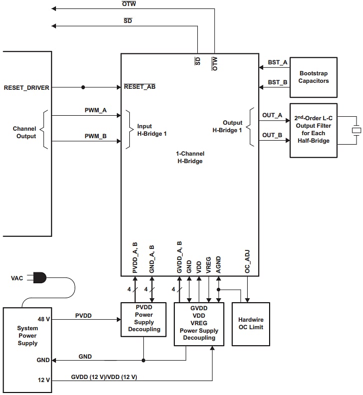
Functional Block Diagram
Publicado: 2023-01-19
| Actualizado: 2024-07-11
