Texas Instruments DRV81008-Q1 8-Channel Low-Side Driver

Texas Instruments DRV81008-Q1 8-Channel Low-Side Driver supports 330mA current per output when all eight channels are ON simultaneously. This driver also supports limp home mode for fail-safe activation. The DRV81008-Q1 driver consists of two parallel inputs with mapping functionality. This driver provides load diagnosis through open load (in OFF state) and short circuit detection. The DRV81008-Q1 driver features a 42V minimum drain to source clamping voltage, a 16-bit SPI interface for diagnosis, integrated reverse battery protection, and Electrostatic Discharge (ESD) protection. This driver is qualified for automotive applications. The DRV81008-Q1 driver is used in applications such as HVAC control, Zone Control Modules (ZCMs), Vehicle Control Units (VCUs), and pneumatic valves.

Features

  • 3V to 40V analog supply voltage:
    • Cranking capability down to 3V
    • Supports LV124 automotive standard
  • 42V minimum drain to source clamping voltage
  • 2 parallel inputs with mapping functionality
  • 700mΩ typical RDS(ON) at 12V, 25°C
  • 330mA current per output at 85°C, with all channels ON
  • Supports multiple protection functions:
    • Integrated reverse battery protection
    • Overcurrent latch OFF
    • Thermal shutdown latch OFF
    • Short circuit to ground and battery protection
    • Stable behavior at undervoltage conditions
    • Loss of battery and loss of ground protection
    • Electrostatic Discharge (ESD) protection
  • 3V to 5.5V digital supply voltage:
    • Compatible with 3.3V and 5V microcontrollers
  • 16-bit SPI interface for control and diagnosis:
    • Daisy chain capability
    • Compatible with 8-bit devices
  • Supports diagnostic functions:
    • Diagnostic information through SPI register
    • Over load detection in the ON state
    • Open load detection in the OFF state
    • Input and output status monitor

Applications

  • Zone Control Modules (ZCMs)
  • HVAC control
  • Automotive Body Control Modules (BCMs)
  • Automotive lighting
  • Vehicle Control Units (VCUs)
  • Programmable Logic Controllers (PLCs)
  • Pneumatic valves
  • General-purpose relay drivers
  • Gasoline and diesel engines

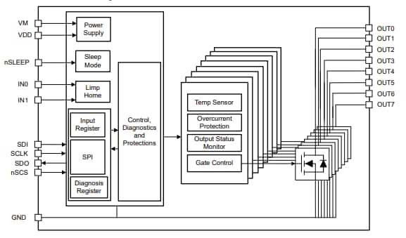
Functional Block Diagram

Block Diagram - Texas Instruments DRV81008-Q1 8-Channel Low-Side Driver

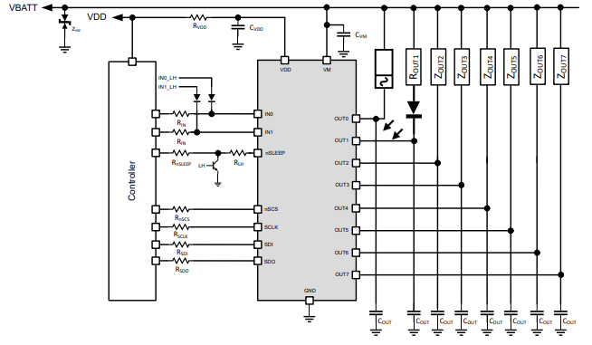
Application Schematic Diagram

Schematic - Texas Instruments DRV81008-Q1 8-Channel Low-Side Driver
Publicado: 2025-01-21 | Actualizado: 2025-05-06