Texas Instruments INA826S Instrumentation Amplifiers
Texas Instruments INA826S Instrumentation Amplifiers are low-cost amplifiers that offer extremely low-power consumption along with shutdown and operate over a very wide single or dual-supply range. A single external resistor sets any gain from 1 to 1000. The device offers excellent stability over temperature, even at G > 1, due to the low gain drift of only 35ppm/°C (maximum).These INA826S amplifiers are optimized to provide an excellent common-mode rejection ratio of over 100dB (G = 10) over frequencies up to 5kHz. At G = 1, the common-mode rejection ratio exceeds 84dB across the entire input common-mode range from the negative supply up to 1V of the positive supply. The Texas Instruments INA826S amplifiers are well-suited for low voltage operation from a 3V single supply and dual supplies up to ±18V using a rail-to-rail output.
Features
- Input common-mode range: Includes V–
- Common-mode rejection:
- 104dB (min, G = 10)
- 100dB (min at 5kHz, G = 10)
- 100dB (minmum, G = 1) power-supply rejection
- Low offset voltage: 150µV (maximum)
- Gain drift: 1ppm/°C (G = 1), 35ppm/°C (G > 1)
- Noise: 18nV/√Hz, G ≥ 100
- Bandwidth: 1MHz (G = 1), 60kHz (G = 100)
- Inputs protected up to ±40V
- Rail-to-rail output
- 200µA supply current
- 2µA shutdown current
- Supply range:
- Single supply range 3V to 36V
- Dual supply range ±1.5V to ±18V
- -40°C to 125°C temperature range
- Packages 3mm x 3mm VSON
Applications
- Industrial process controls
- Circuit breakers
- Battery testers
- ECG amplifiers
- Power automation
- Medical instrumentation
- Portable instrumentation
Videos
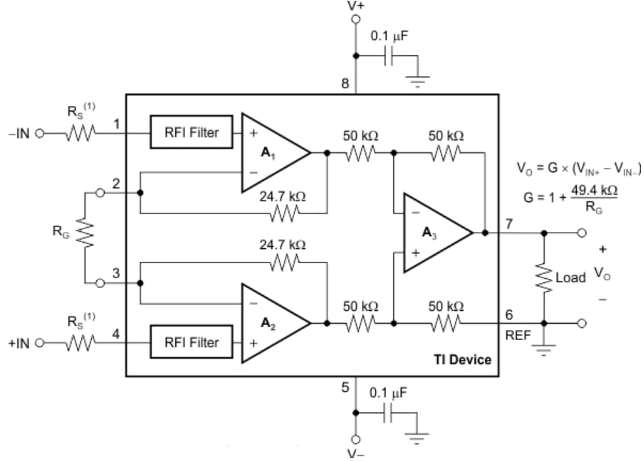
Simplified Internal Schematic
Publicado: 2017-08-04
| Actualizado: 2024-05-29
