Texas Instruments LM644A2-Q1 Automotive Buck Converter
Texas Instruments LM644A2-Q1 Automotive Buck Converter is a 36V, synchronous DC/DC converter with multiphase stackability in a thermally enhanced package for dual-side cooling. This converter utilizes an interleaved, stackable, current-mode control architecture for easy loop compensation, fast transient response, and excellent load and line regulation. The accurate current sharing with an output clock supports 6 phases for currents up to 36A. The LM644A2-Q1 converter features a 3V to 36V input voltage range, 100kHz to 2.2MHz switching frequency range, and meets CISPR 25 class 5 EMI requirements. This converter provides 0.5µA typical shutdown mode current and 9µA typical no-load standby current with built-in compensation and 3ms soft start. The LM644A2-Q1 devices are AEC-Q100 qualified for automotive applications. Typical applications include automotive cockpit and display, automotive ADAS and central computing, body electronics and lighting, and general-purpose dual buck converters.This LM644A2-Q1 converter incorporates noise reduction at the fundamental switching frequency through interleaving, pin-enabled DRSS, and symmetrical VIN pinout for low input inductance. This converter includes an internal fixed soft-start or adjustable soft-start, independent enable inputs, integrated VCC bias supply regulator, hiccup-mode overload protection, and thermal shutdown protection. This LM644A2-Q1 converter is available in a 5mm x 4mm, enhanced HotRod QFN 24-pin package with an enlarged corner terminal for improved BLR and wettable flanks.
Features
- AEC-Q100 qualified for automotive applications:
- -40°C to +125°C ambient operating temperature (Device temperature grade 1)
- Operation up to 150°C junction temperature
- Thermally enhanced package provides exposed top and bottom thermal pads and enables dual-side cooling
- Designed for low EMI:
- Symmetrical input voltage pins with >1mm clearance to ground
- Pin selectable spread spectrum option
- Pin selectable FPWM or auto-mode operation
- Enhanced HotRod™ QFN (25) package with wettable flanks
- 100kHz to 2.2MHz switching frequency range
- Meets CISPR 25 class 5 EMI requirements
- Single and dual-output features:
- 3V to 36V wide input voltage range
- 1% accurate fixed 3.3V, 5V or adjustable outputs from 0.8V to 20V
- Hiccup-mode overcurrent protection and thermal shutdown protection with hysteresis
- Precision ENABLE and PGOOD functions
- 50ns tON(min) for a high VIN/VOUT ratio
- 80ns tOFF(min) for low dropout
- Functional safety-capable:
- Documentation available to aid functional safety system design
- Versatile dual-output operation:
- 0.5µA typical shutdown mode current
- 9µA typical no-load standby current
- Built-in compensation and 3ms soft start
- Independent precision ENABLE and PGOOD
- Adaptable single-output operation:
- >95% efficient for an 8A load, single output, VIN =12V, VOUT = 5V
- External compensation and adjustable soft start
- PGOOD, SYNCIN, and SYNCOUT functions
Applications
- Automotive cockpit and display
- Automotive ADAS and central compute
- Body electronics and lighting
- General-purpose dual buck converters
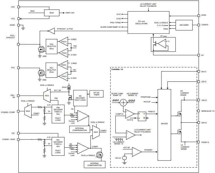
Functional Block Diagram
Additional Resource
Publicado: 2025-01-23
| Actualizado: 2025-05-06
