Texas Instruments LMR43606-Q1 Synchronous Step-Down Converters
Texas Instruments LMR43606-Q1 Synchronous Step-Down Converters are small, 36V, 0.6A, step-down DC-DC converters in a 2mm × 2mm HotRod package. These converters support a wide input voltage range of 3.0V to 36V with transients up to 42V. The LMR43606-Q1 is designed to meet low standby power requirements for always-on automotive applications. The auto mode enables frequency foldback when operating at light loads, allowing an unloaded current consumption of 1.5µA at 13.5VIN and a high light load efficiency. The seamless transition between PWM and PFM modes and very low MOSFET ON resistances provide exceptional efficiency across the entire load range.The control architecture and feature set are designed for an ultra-small design size. The device uses peak current mode control to minimize output capacitance. The Texas Instruments LMR43606-Q1 minimizes input filter size using a dual random spread spectrum, an optimized pinout, and a low-EMI HotRod package. The MODE/SYNC and RT pin variants can be used to set or synchronize the frequency between 200kHz and 2.2MHz to avoid noise-sensitive frequency bands. The rich feature set of the LMR43606-Q1 is designed to simplify implementation for various automotive end equipment.
Features
- AEC-Q100-qualified for automotive applications
- Temperature Grade 1 (-40°C to +125°C, TA)
- Functional Safety-Capable
- Documentation available to aid functional safety system design
- Greater than 85% efficiency at 1mA
- Miniature design size and low component cost
- 2mm × 2mm HotRod™ package with wettable flanks
- Internal compensation
- Designed for ultra-low EMI requirements
- Spread spectrum reduces peak emissions
- Pin selectable FPWM mode for constant frequency at light loads with MODE/SYNC pin
- FSW synchronization with MODE/SYNC pin
- Designed for automotive applications
- -40°C to +150°C junction temperature range
- Supports 42V automotive load dump
- Supports 3VIN for automotive cold crank
- Adjustable up to 95% of VIN, 3.3V, and 5V fixed VOUT options available
- Designed for scalable power supplies
- Adjustable FSW at 200kHz to 2.2MHz (RT pin)
- Pin compatible with
- LMR43610-Q1 (36V, 1A)
- LMR36506-Q1 (65V, 600mA)
- LMR36503-Q1 (65V, 300mA)
Applications
- Advanced driver assistance systems (radar ECU)
- Infotainment and cluster (head unit, eCall)
- Body electronics and lighting
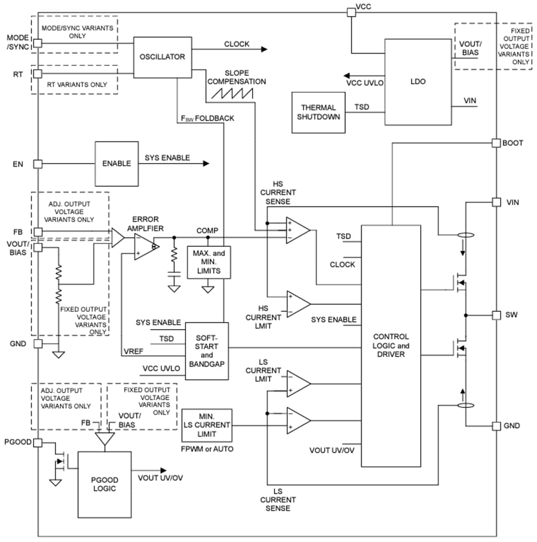
Functional Block Diagram
Additional Resource
Publicado: 2024-03-25
| Actualizado: 2025-05-06
