Texas Instruments SN74AC596/SN74AC596-Q1 SIPO Shift Registers

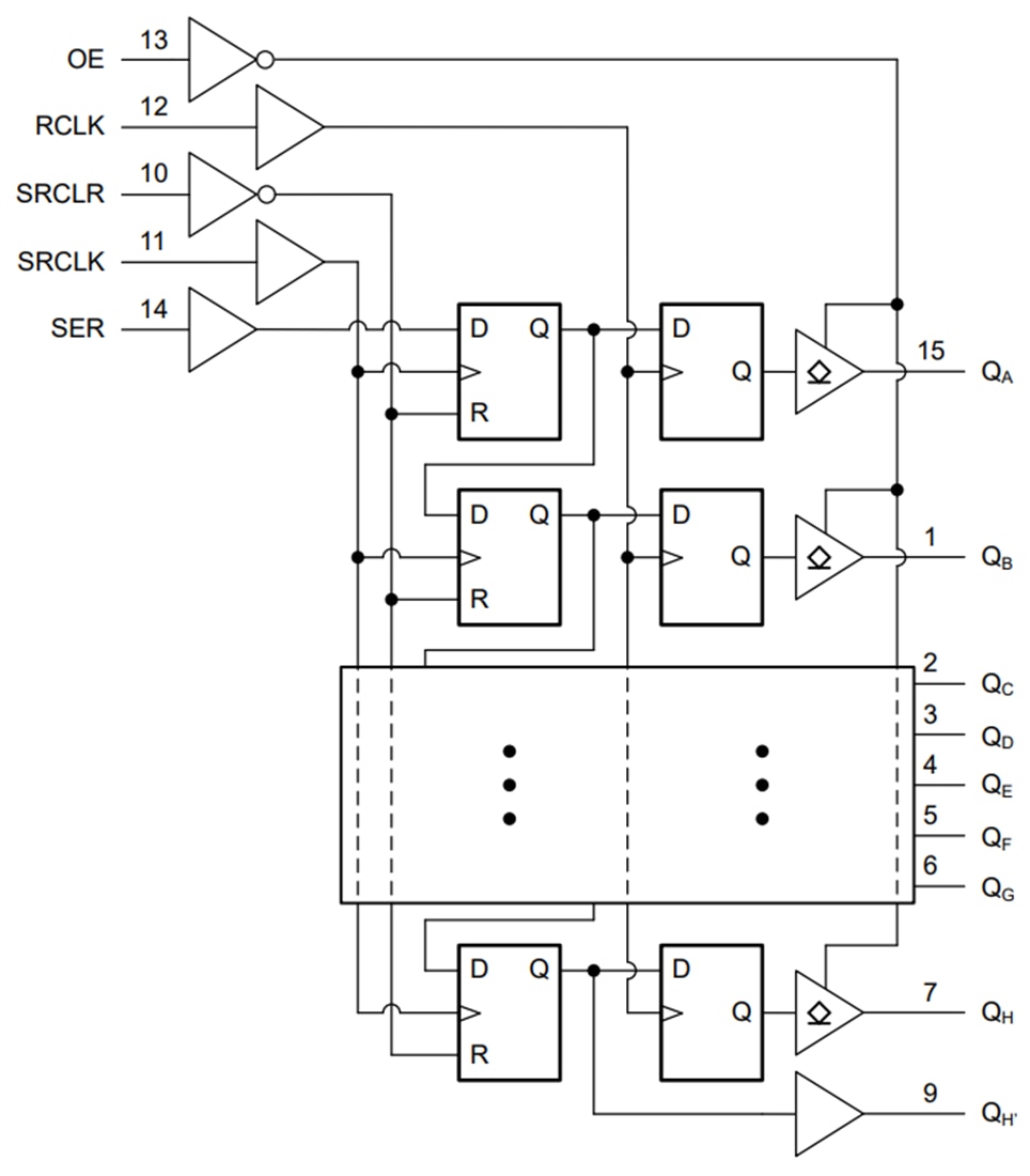
Texas Instruments SN74AC596/SN74AC596-Q1 SIPO Shift Registers contain an 8-bit, serial-in, parallel-out (SIPO) shift register that feeds an 8-bit D-type storage register. The storage register has parallel open-drain outputs. Separate clocks are provided for both the storage and shift register. The shift register has a serial (SER) input, a direct overriding clear (SRCLR\) input, and a serial output (QH’) for cascading. When the output-enable (OE\) input is high, the outputs are in a high-impedance state. The internal register data is not impacted by the operation of the OE\ input. The Texas Instruments SN74AC596-Q1 devices are AEC-Q100 qualified for automotive applications.

Features

  • Wide operating range of 1.5V to 6V
  • Inputs accept voltages up to 6V
  • Continuous ±24mA output drive at 5V
  • Supports up to ±75mA output drive at 5VIN short bursts
  • Drives 50Ω transmission lines
  • Maximum tpd of 11.4ns at 5V, 50pF load

Applications

  • Increase the number of outputs on a microcontroller
  • Store up to 8 bits of data temporarily

Functional Block Diagram

Block Diagram - Texas Instruments SN74AC596/SN74AC596-Q1 SIPO Shift Registers
Publicado: 2025-03-25 | Actualizado: 2025-05-06