Texas Instruments SN74AHC138/SN74AHC138-Q1 3-to-8 Line Decoder/Demux
Texas Instruments SN74AHC138/SN74AHC138-Q1 3-Line to 8-Line Decoder / Demultiplexers are designed for data-routing and high-performance memory-decoding applications that require very short propagation-delay times. These decoders can be used to minimize the effects of system decoding in high-performance memory systems. The delay times of these decoders and the enable time of the memory are usually less than the typical access time when employed with high-speed memories utilizing a fast enable circuit. This feature means that the effective system delay introduced by the decoders is negligible. The Texas Instruments SN74AHC138-Q1 devices are AEC-Q100 qualified for automotive applications.Features
- Operating range 2V to 5.5V VCC
- Designed specifically for high-speed memory decoders and data-transmission systems
- Incorporate three enable inputs to simplify cascading and/or data reception
- Latch-up performance exceeds 250mA per JESD 17
- ESD protection exceeds JESD 22
- 2000V Human-Body Model (A114-A)
- 1000V Charged-Device Model (C101)
Applications
- Memory device selection with shared data bus
- Route data
- Reduce the required number of outputs for chip-select applications
Datasheets
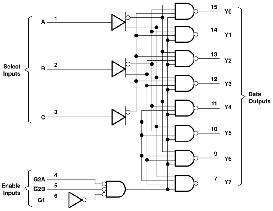
Logic Diagram (Positive Logic)
Additional Resources
- Application Note: Implications of Slow or Floating CMOS Inputs
- Selection Guide: Little Logic Guide
- Selection Guide: Logic Guide
- Application Note: How to Select Little Logic
- Application Note: Understanding and Interpreting Standard-Logic Data Sheets
- User Guide: LOGIC Pocket Data Book
- Application Note: Selecting the Right Level Translation Solution
- ADAS: The technology driving automotive safety forward
Publicado: 2024-04-30
| Actualizado: 2025-06-06
