Texas Instruments SN74HCS151/SN74HCS151-Q1 8-to-1 Multiplexers
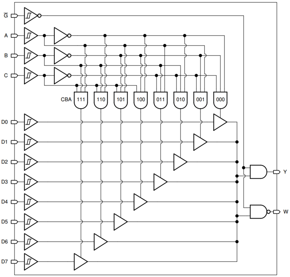
Texas Instruments SN74HCS151/SN74HCS151-Q1 8-to-1 Multiplexers contain full binary decoding to select one of eight data sources and complementary outputs. The strobe (G) input must be at a low logic level to enable the inputs. A high level at the strobe terminal forces the W output to be high and the Y output to be low. The Texas Instruments SN74HCS151-Q1 devices are AEC-Q100 qualified for automotive applications.Features
- 2V to 6V wide operating voltage range
- Schmitt-trigger inputs allow for slow or noisy input signals
- ±7.8mA output drive at 6V
- -40°C to +125°C, TA extended ambient temperature range
- Low power consumption
- Typical ICC of 100nA
- Typical input leakage current of ±100nA
Applications
- Data selection
- Multiplexing
Datasheets
Functional Block Diagram
Publicado: 2020-12-08
| Actualizado: 2024-10-11
