Texas Instruments SN74HCS259/SN74HCS259-Q1 8-Bit Addressable Latches
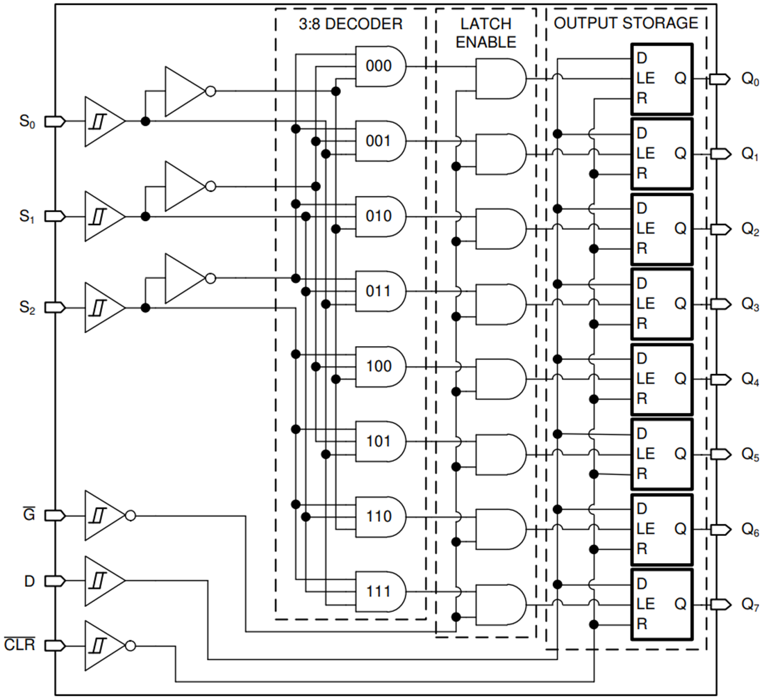
Texas Instruments SN74HCS259/SN74HCS259-Q1 8-Bit Addressable Latches are designed for general-purpose storage applications in digital systems. Specific uses include working registers, serial-holding registers, and active-high decoders or demultiplexers. These multifunctional devices can store single-line data in eight addressable latches. These devices can also be a 1-of-8 decoder or demultiplexer with active-high outputs. The Texas Instruments SN74HCS259-Q1 devices are AEC-Q100 qualified for automotive applications.Features
- 2V to 6V wide operating voltage range
- Schmitt-trigger inputs allow for slow or noisy input signals
- 7.8mA output drive at 6V
- –40°C to +125°C, TA extended ambient temperature range
- Low power consumption
- Typical ICC of 100nA
- Typical input leakage current of ±100nA
Applications
- Memory device selection with a shared data bus
- Reduce the required number of outputs for chip-select applications
- Route data
Datasheets
Functional Block Diagram
Publicado: 2020-08-19
| Actualizado: 2024-11-07
