Texas Instruments SN74HCS572/SN74HCS72-Q1 D-Type Flip-Flops
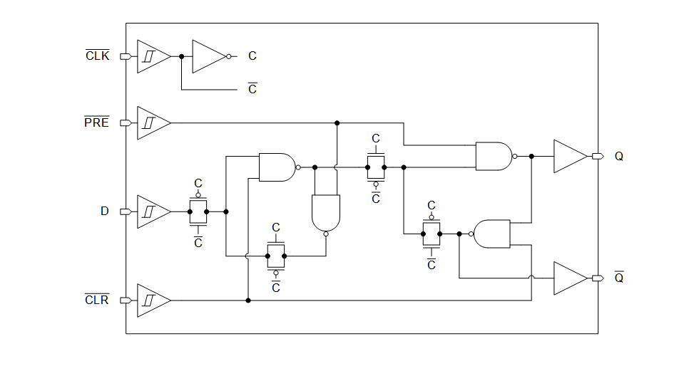
Texas Instruments SN74HCS572/SN74HCS72-Q1 Automotive D-type Flip-Flops include Schmitt-triggers, allowing for slow or noisy input signals. A low level at the preset (PRE) input sets the output high. A low level at the clear (CLR) input resets the output low. Preset and clear functions are asynchronous and not dependent on the levels of the other inputs.When PRE and CLR are inactive (high), data at the data (D) input meeting the setup time requirements is transferred to the outputs (Q, Q) on the negative-going edge of the clock (CLK) pulse. Following the hold-time interval, data at the data (D) input can be changed without affecting the levels at the outputs (Q, Q). The Texas Instruments SN74HCS72-Q1 devices are AEC-Q100 qualified for automotive applications.
Features
- Wide operating voltage range: 2V to 6V
- Schmitt-trigger inputs allow for slow or noisy input signals
- ±7.8mA output drive at 5V
- Low power consumption
- Typical ICC of 100nA
- Typical input leakage current of ±100nA
Applications
- Convert a momentary switch to a toggle switch
- Input slow edge-rate signals
- Operate in noisy environments
- Enable CAN Controller Power with a wake-up pattern
Datasheets
Benefits of Schmitt-trigger Inputs
Block Diagram
Publicado: 2019-11-25
| Actualizado: 2024-02-07
