Texas Instruments TAx5x12EVM-K Evaluation Modules (EVMs)
Texas Instruments TAx5x12EVM-K Evaluation Modules (EVMs) allow the user to test the capabilities of various TI audio CODECs, ADCs, and DACs. The TAC5212 is a low-power, stereo audio codec with 118dB dynamic range ADC and 119dB dynamic range DAC. The TAC5112 is a low-power, stereo audio codec with 100dB dynamic range ADC and 106dB dynamic range DAC. The TAD5212 is a low-power stereo audio DAC with 119dB dynamic range, or the TAA5212, a low-power stereo audio ADC with 118dB dynamic range. The evaluation modules are paired with the AC-MB, a flexible motherboard that provides power, control, and digital audio data to the evaluation module. The Texas Instruments TAx5x1x family of devices is configured through the PurePathConsole 3 (PPC3) GUI.Features
- Complete evaluation kit for the TAC5212; a stereo high-performance Codec, TAC5112; a stereo Codec, TAD5212; a stereo high-performance DAC or TAA5212; a stereo high-performance ADC
- On-board microphones provided for voice recording testing
- Direct access to digital audio signals and control interface for simple end-system integration
- USB connection to PC provides power, control, and streaming audio data for easy evaluation
Kit Contents
- TAC5212, TAC5112, TAD5212 or TAA5212 device
- TAx5x12EVM daughterboard
- AC-MB controller/motherboard
Applications
- Land mobile radio
- IP Network camera
- IP Telephone
- Video conference system
- Professional audio mixer/control surface
Additional Resources
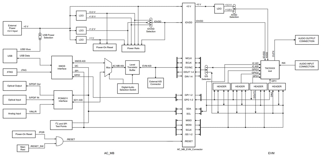
Block Diagram
Board Layout
Publicado: 2024-12-16
| Actualizado: 2025-03-21
