Texas Instruments TPS1200-Q1 Smart High Side Driver

Texas Instruments TPS1200-Q1 Smart High Side Driver is a 45V low IQ device that can withstand and protect the loads from negative supply voltages down to -40V. This driver includes a (2A) gate drive that enables power switching using parallel MOSFETs in high-current system designs. The TPS1200-Q1 driver features a low 1.5µA shutdown current (EN/UVLO = Low) and diagnosis of the internal short circuit comparator using external control on SCP_TEST input. This driver also features a quiescent current of 43µA (typical), enabling always ON system designs. The TPS1200-Q1 driver is AEC-Q100 qualified for automotive applications.

The TPS1200-Q1 driver offers protection functions such as adjustable input Undervoltage Lockout (UVLO), Overvoltage protection (OV), and adjustable short circuit protection. This driver is available in a 19-pin VSSOP package (5.1mm x 3mm). The TPS1200-Q1 driver is used in applications such as automotive 12V BMS, DC-DC converters, and power tools.

Features

  • AEC-Q100 automotive qualified for automotive applications:
    • Device temperature grade 1: –40°C to 125°C ambient operating temperature range
  • 3.5V to 40V input voltage range (45V absolute maximum)
  • Reverse input protection down to -40V
  • Integrated 11V charge pump
  • Low quiescent current, 43µA in operation
  • Low 1.5µA shutdown current (EN/UVLO = Low)
  • Strong gate driver (2A source and sink)
  • Adjustable short circuit protection (ISCP) using external Rsense or MOSFET VDS sensing with adjustable delay (TMR)
  • High or low-side current sense configuration (CS_SEL)
  • Fault indication (FLT) during short-circuit fault, input under voltage, and short-circuit comparator diagnosis (SCP_TEST)
  • Fault indication (FLT_GD) for gate drive UVLO
  • Adjustable input Undervoltage Lockout (UVLO) and Overvoltage protection (OV)
  • Available in a 19-pin VSSOP package (5.1mm x 3mm)

Applications

  • Automotive 12V BMS
  • DC-DC converters
  • Power tools

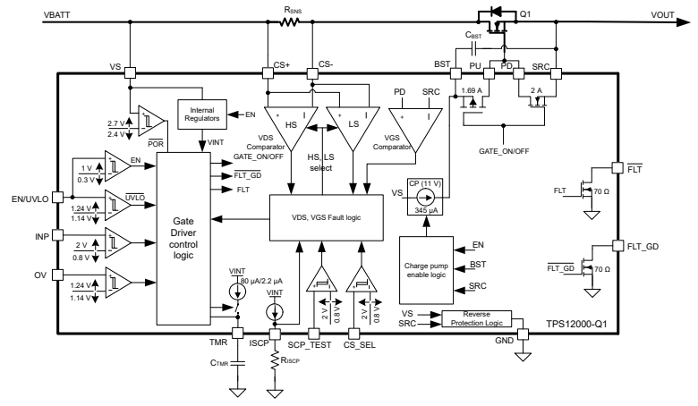
Functional Block Diagram

Block Diagram - Texas Instruments TPS1200-Q1 Smart High Side Driver

Application Circuit with External Supply to BST

Application Circuit Diagram - Texas Instruments TPS1200-Q1 Smart High Side Driver
Publicado: 2025-01-15 | Actualizado: 2025-03-09