Texas Instruments TPS22976 Dual-Channel Load Switches
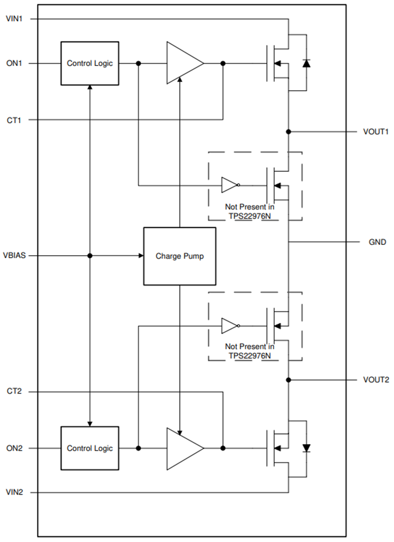
Texas Instruments TPS22976 Dual-Channel Load Switches family consists of three devices: TPS22976, TPS22976A, and TPS22976N. Each device is a dual-channel load switch with a controlled turn-on. The device contains two N-channel MOSFETs that can operate over an input voltage range of 0.6V to 5.7V and support a maximum continuous current of 6A per channel. Each switch is independently controlled by an on and off input (ON1 and ON2), which can interface directly with low-voltage control signals. The TPS22976 is capable of thermal shutdown when the junction temperature is above the threshold, turning the switch off. The switch turns on again when the junction temperature stabilizes to a safe range. The TPS22976 also offers an optional integrated 230Ω on-chip load resistor for quick output discharge when the switch is turned off.The Texas Instruments TPS22976 is available in a small, space-saving 3mm × 2mm 14-SON package (DPU) with an integrated thermal pad allowing for high power dissipation. The device is characterized for operation over the free-air temperature range of –40°C to 105°C.
Features
- Integrated dual-channel load switch
- 0.6V to VBIAS input voltage range
- 2.5V to 5.7V VBIAS voltage range
- On-resistance
- RON = 14mΩ (typical) at VIN = 0.6V to 5V, VBIAS = 5V
- RON = 18mΩ (typical) at VIN = 0.6V to 2.5V, VBIAS = 2.5V
- 6A maximum continuous switch current per channel
- Quiescent current for TPS22976, TPS22976N
- 37µA (typical, both channels) at VIN = VBIAS = 5V
- 35µA (typical, single channel) at VIN = VBIAS = 5V
- Quiescent current for TPS22976A
- 85µA (typical, both channels) at VIN = VBIAS = 5V
- 83µA (typical, single channel) at VIN = VBIAS = 5V
- Control input threshold enables use of 1.2V, 1.8V, 2.5V, and 3.3V logic
- Configurable rise time
- Fast turn ON time (TPS22976A)
- tON = 17µs at VIN = 1.05V
- Thermal shutdown
- Quick Output Discharge (QOD) (optional)
- SON 14-pin package with thermal pad
- ESD performance tested per JESD 22
- 2kV HBM and 1kV CDM
Applications
- Ultrabook™
- Notebooks and netbooks
- Tablet PCs
- Set-top boxes and residential gateways
- Telecom systems
- Solid-State Drives (SSD)
Functional Block Diagram
Publicado: 2016-12-27
| Actualizado: 2022-03-11
