Texas Instruments TPS548A20 SWIFT™ Converter

Texas Instruments TPS548A20 Synchronous Step-Down SWIFT™ Converter is a small-sized (4.50mm x 3.50mm), synchronous buck converter with an adaptive on-time D-CAP3 control mode. The device offers ease-of-use and low bill-of-material count for space-conscious power systems. This device features high-performance integrated MOSFETs, accurate 0.6V reference, and an integrated boost switch. Competitive features include very-low external-component count, fast load transient response, auto-skip mode operation, internal soft-start control, and no requirement for compensation. A forced continuous conduction mode helps meet tight voltage regulation accuracy requirements for performance DSPs and FPGAs.

Features

  • Integrated SWIFT™ 9.9mΩ and 4.3mΩ MOSFETs support 15A continuous IOUT
  • Wide 1.5V to 20V conversion input voltage range (with snubber)
  • Output voltage range from 0.6V to 5.5V
  • Supports all ceramic output capacitors
  • 600mV reference voltage with ±0.5% tolerance from -40°C to +85°C ambient temperature
  • D-CAP3™ control mode with fast load-step response
  • Hiccup over current protection
  • Auto-skipping Eco-Mode™ for high light-load efficiency
  • FCCM for tight output ripple and voltage tolerance requirements
  • Pre-charged startup capability
  • Eight selectable frequency settings from 200kHz to 1MHz
  • 4.5mm x 3.5mm, 28-pin, VQFN-CLIP package

Applications

  • Servers
  • Cloud-computing
  • Storage
  • Telecom and networking
  • Point-of-Load (POL)
  • IPCs
  • Factory automation
  • PLCs
  • Test and measurement
  • Performance DSPs
  • FPGAs

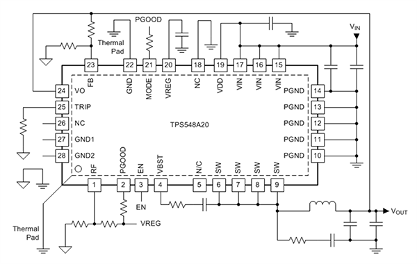
Simplified Application Circuit

Application Circuit Diagram - Texas Instruments TPS548A20 SWIFT™ Converter
Publicado: 2016-01-12 | Actualizado: 2022-03-11