Texas Instruments TPS56A37 10A Synchronous Buck Converter
Texas Instruments TPS56A37 10A Synchronous Buck Converter is an easy-to-use, high-efficiency, synchronous buck converter with a wide input voltage range of 4.5V to 28V. The device supports up to 10A continuous output current at output voltages between 0.6V and 13V. The TPS56A37 uses D-CAP3 control mode to provide a fast transient response, good line and load regulation, and no requirement for external compensation. It supports low equivalent series resistance (ESR) output capacitors like MLCC.The TPS56A37 operates at Eco-mode to attain high efficiency at light load with a fixed 500kHz switching frequency. The TPS56A37 has an adjustable soft-start time by connecting the SS capacitor with the default 1.8ms and the SS pin floating. The TPS56A37 provides complete non-latched OV (overvoltage), UV (undervoltage), OC (overcurrent), OT (overtemperature), and UVLO (undervoltage lockout) protections combined with power-good indicator and output discharge function features. The Texas Instruments TPS56A37 is available in a 10-pin, 3.0mm×3.0mm HotRod QFN package, and the junction temperature is specified from –40°C to 150°C.
Features
- 4.5V to 28V input voltage range
- 0.6V to 13V output voltage range
- Supports 10A continuous output current
- Integrated 19.4mΩ and 8.5mΩ MOSFETs
- 0.6V ±1% reference voltage at 25°C
- 45uA low quiescent current
- D-CAP3™ control mode for fast transient response
- Eco-mode (auto-skip mode) for high light-load efficiency
- Fixed 500kHz switching frequency
- Cycle by cycle over the current limit
- Adjustable soft-start time with default 1.8ms
- Built-in output discharge function
- Power-good indicator to monitor output voltage
- Supports up to 98% duty operation
- Non-latched protections for UV, OV, OT, and UVLO
- -40°C to +150°C operating junction temperature
- Small 10-pin 3.0mm×3.0mm HotRod™ QFN package
- Pin-to-pin compatible with 6A TPS56637 and 8A TPS56837
Applications
- Industrial PC, EPOS, factory automation and control
- Multifunction printers, video conference system
- General purposes for 12V, 19V, 24V power-bus supply
- Monitors, TVs, speakers, PCs and notebooks, portable electronics
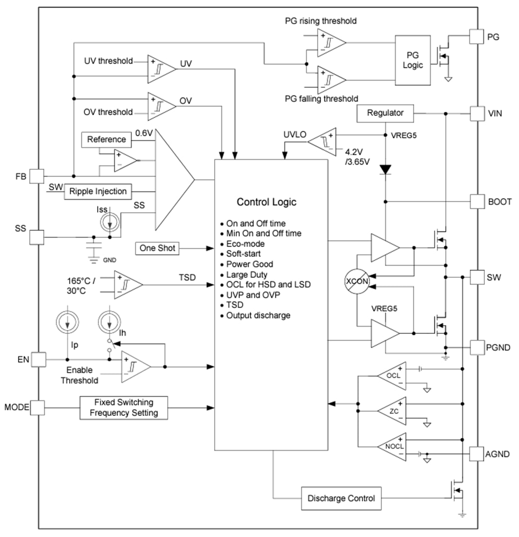
Functional Block Diagram
Publicado: 2024-03-27
| Actualizado: 2024-04-09
