Texas Instruments TPS7B70-Q1 LDO Linear Regulators

Texas Instruments TPS7B70-Q1 LDO Linear Regulators are 300mA, low-dropout (LDO) linear regulators that operate from an automotive battery. These devices have only 19µA of quiescent current at light loads. This makes the TPS7B70-Q1 an excellent selection to supply power to always-on components, such as microcontrollers (MCUs) and controller area network (CAN) transceivers. The input voltage range of the TPS7B70-Q1 extends through 40V. This voltage helps the device withstand transient conditions, such as load-dump. The device also has a power good (PG) pin to tell the system when the output voltage is in regulation. To achieve the necessary operation, you can adjust the PG threshold voltage and delay. The threshold voltage of the PG signal is adjusted through external resistors. Adjust the delay with an external capacitor.

The TPS7B70-Q1 operates in ambient temperatures from –40°C to +125°C, and with junction temperatures from –40°C to +150°C. This device also has a thermally conductive package that enables sustained operation despite significant dissipation across the device, a typical property of off-battery operation. These features, along with included current limit and thermal shutdown protection, make the TPS7B70-Q1 an excellent selection to supply power to automotive system components.

Features

  • Qualified for automotive applications
  • AEC-Q100 Qualified with the following results
    • Device temperature grade 1 -40°C to 125°C ambient operating temperature range
    • Device HBM ESD classification level 2
    • Device CDM ESD classification level C4B
  • Device junction temperature range of -40°C to +150°C
  • 300mA Maximum output current
  • 4V to 40V Wide VIN input-voltage range with up to 45V transients
  • Fixed 3.3V and 5V outputs
  • 400mV at 300mA Maximum dropout voltage
  • Stable with output capacitor in wide range of capacitance (4.7µF to 500µF) and ESR (0.001Ω to 20Ω)
  • Low quiescent current (I(Q))
    • < 4µA When EN is low (Shutdown mode)
    • 19µA Typical at light loads with VINT high
  • Fully adjustable power-good threshold and power-good delay timing
  • Low input-voltage tracking to UVLO
  • Integrated fault protection
    • Overload current-limit protection
    • Thermal shutdown
  • 16-Pin HTSSOP PowerPAD™ package
    • 39.7°C/W Thermal resistance (RθJA)

Applications

  • Body control modules (BCM)
  • EV and HEV battery management systems
  • Transmission control units (TCU)
  • Head units
  • Electrical power steering (EPS)

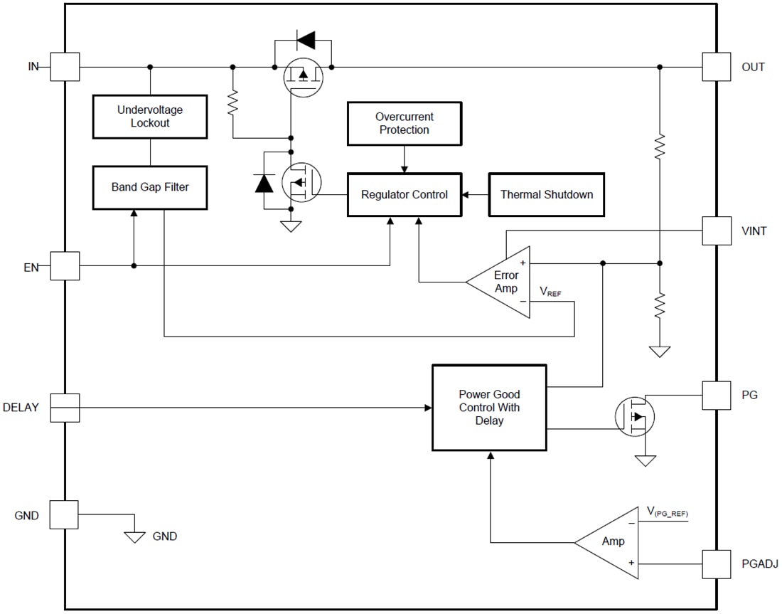
Functional Block Diagram

Block Diagram - Texas Instruments TPS7B70-Q1 LDO Linear Regulators
Publicado: 2018-12-13 | Actualizado: 2025-06-05