Texas Instruments TPS92633/TPS92633-Q1 3-Ch High-Side LED Drivers

Texas Instruments TPS92633/TPS92633-Q1 Automotive 3-Channel High-Side LED Drivers include a unique thermal management design to reduce temperature rising on the device. The TPS92633-Q1 is a linear driver directly powered by automotive batteries, with large voltage variations to output full current loads up to 150mA per channel. External shunt resistors are leveraged to share output current and dissipate power out of the driver. The TPS92633-Q1 also drives LED units and off-board brightness binning resistors to simplify the manufacturing process and lower the whole system cost. Its full-diagnostic capabilities include LED open, LED short-to-GND circuit, and single LED short circuit detection.

The one-fails-all-fail feature of Texas Instruments TPS92633-Q1 can work together with other LED drivers, such as the TPS9261x-Q1, TPS92630/8-Q1, and TPS92830-Q1 devices, to address different requirements.

Features

  • AEC-Q100 qualified for automotive applications (TPS92633-Q1)
    • –40°C to 125°C, TA temperature grade 1 (TPS92633-Q1)
  • 4.5V to 40V wide input voltage range
  • Thermal sharing by an external shunt resistor
  • Low supply current in fault mode
  • Three high-precision current regulation
    • Up to 150mA current output for each channel
    • ±5% accuracy over the full temperature range
    • Independent current setting by resistor
    • Independent PWM pin for brightness control
    • Support off-board brightness binning resistor
    • Support external NTC for current derating
  • Low dropout voltage
    • 600mV at 150mA maximum dropout
  • Diagnostics and protection
    • LED open-circuit with auto-recovery
    • LED short-to-GND with auto-recovery
    • Single LED short-circuit detection with auto-recovery
    • Diagnostic enable comes with adjustable threshold
    • Fault bus configurable as either one-fails–all-fail or only-failed-channel off (N-1)
    • Thermal shutdown
  • –40°C to 150°C operation junction temperature range

Applications

  • Automotive exterior rear light (rear lamp, center high mounted stop lamp, side marker)
  • Automotive exterior small light (door handle, blind spot detection indicator, charging inlet)
  • Automotive interior light (overhead console, reading lamp)
  • General-purpose LED driver applications

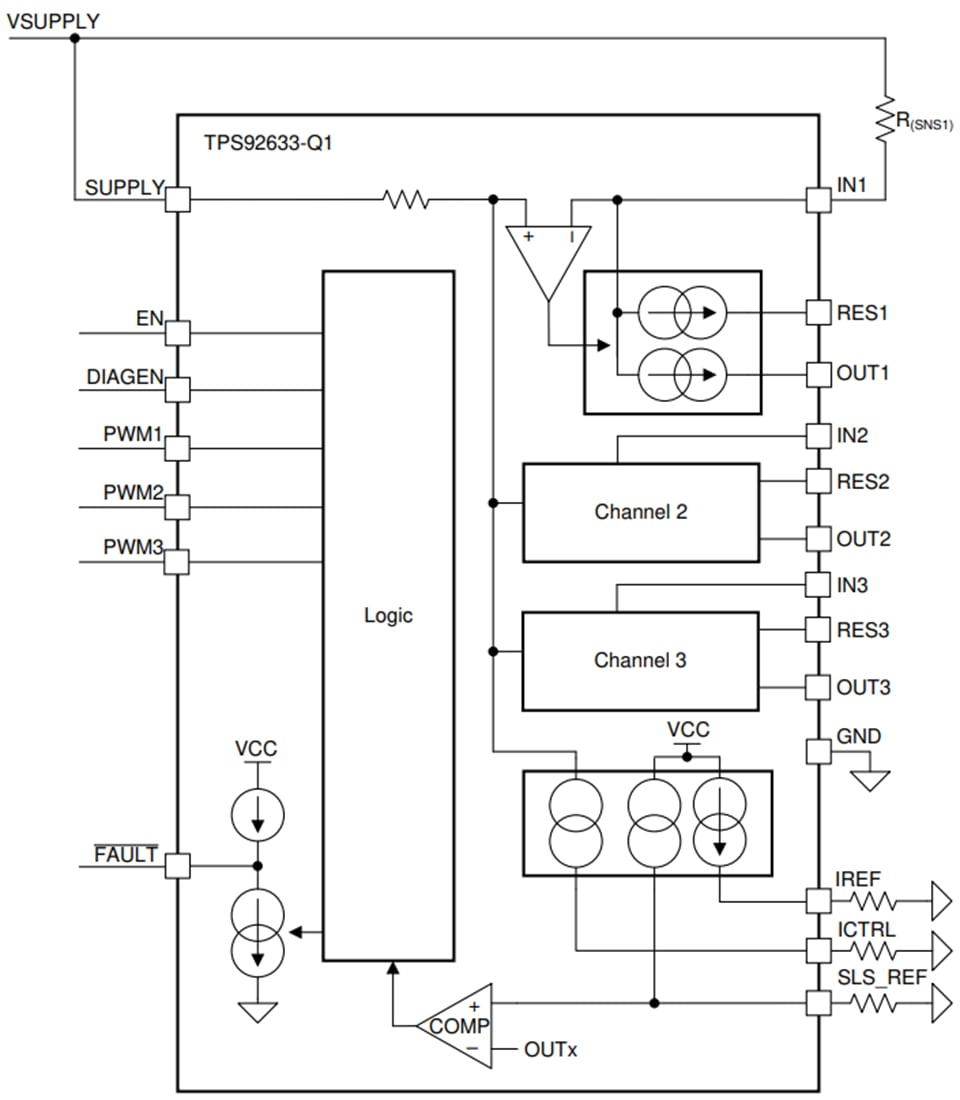
Functional Block Diagram

Block Diagram - Texas Instruments TPS92633/TPS92633-Q1 3-Ch High-Side LED Drivers
Publicado: 2021-06-16 | Actualizado: 2022-03-11