Texas Instruments TRF372017 300MHz to 4.8GHz Quadrature Modulator

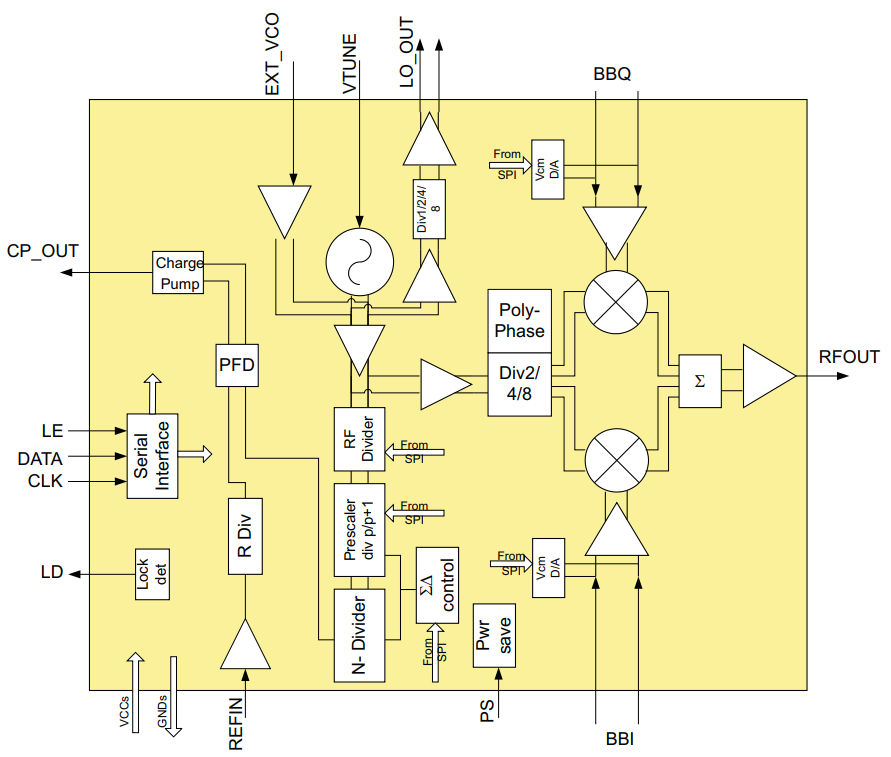
Texas Instruments TRF372017 300MHz to 4.8GHz Quadrature Modulator is a high performance direct up-conversion device, integrating a high linearity, low noise IQ modulator and an integer-fractional PLL/VCO. The VCO uses integrated frequency dividers to achieve a wide, continuous tuning range of 300MHz-4800MHz. The LO is available as an output with independent frequency dividers. TI TRF372017 Quadrature Modulator also accepts input from an external LO or VCO. The modulator baseband inputs can be biased either internally or externally. Internal DC offset adjustment enables carrier cancellation. This TI device is controlled through a 3-wire serial programming interface (SPI). A control pin invokes power-save mode to reduce power consumption while keeping the VCO locked for fast startup.

Features

  • Fully Integrated PLL/VCO and IQ Modulator
  • LO Frequency from 300MHz to 4.8GHz
  • 76dBc Single-Carrier WCDMA ACPR at -8dBm Channel Power
  • OIP3 of 26dBm
  • P1dB of 11.5dBm
  • Integer/Fractional PLL
  • Phase Noise -132dBc/Hz (at 1MHz, fVCO of 2.3GHz)
  • Low Noise Floor: -160dBm/Hz
  • Input Reference Frequency Range: Up to 160MHz
  • VCO Frequency Divided by 1-2-4-8 Output

Applications

  • Wireless Infrastructure
    • CDMA: IS95, UMTS, CDMA2000, TD-SCDMA
    • TDMA: GSM, IS-136, EDGE/UWC-136
    • LTE
  • Wireless Local Loop
  • Point-to-Point Wireless Access
  • Wireless MAN Wideband Transceivers

Block Diagram

Texas Instruments TRF372017 300MHz to 4.8GHz Quadrature Modulator
Publicado: 2012-09-26 | Actualizado: 2022-03-11