Texas Instruments UCC14341-Q1 Automotive Isolated DC/DC Modules
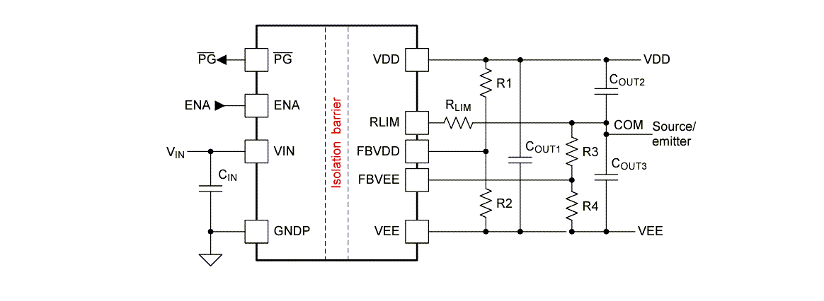
Texas Instruments UCC14341-Q1 Automotive Isolated DC/DC Modules offer high isolation and are designed to deliver power to IGBT or SiC gate drivers. The UCC14341-Q1 modules incorporate a transformer and DC/DC controller with a proprietary architecture to accomplish high efficiency with very low emissions. The high-accuracy output voltages supply higher system efficiency and do not over-stress the power device gate. The UCC14341-Q1 modules are AEC-Q100 qualified for automotive applications.The fully integrated UCC14341-Q1 module with on-chip device protection requires minimum external components and includes on-chip device protection and extra features. These features for the device include input under-voltage lockout, output voltage power good comparators, over-voltage lockout, and overtemperature shutdown. The UCC14341-Q1 modules are used in power train systems, grid infrastructure, and motor drives.
Features
- High-density isolated DC/DC module with integrated transformer
- Isolated DC/DC for driving with IGBTs, SiC FETs
- Input voltage range of 13.5V to 16.5V with 32V absolute maximum
- 1.5W output power for 13.5V < VVIN < 16.5V, at TA ≤ 105°C
- Adjustable single or dual output voltages (using resistors) with <±1.3% regulation accuracy over the full operating range
- Low electromagnetic emission with spread spectrum modulation and integrated transformer design
- Enable, Power Good, UVLO, OVLO, soft-start, short-circuit, power-limit, under-voltage, overvoltage, and over-temperature protection
- CMTI >150kV/µs
- AEC-Q100 qualified for automotive applications
- Temperature grade 1 of -40°C ≤ TJ ≤ 150°C
- Temperature grade 1 of -40°C ≤ TA ≤ 125°C
- Functional safety-capable documentation available to aid functional safety system design
- Planned safety-related certifications
- 7071VPK reinforce isolation per DIN EN IEC 60747-17 (VDE 0884-17)
- 5000VRMS isolation for 1 minute per UL 1577
- Reinforce insulation per CQC GB4943.1
- 36-pin, wide SSOP package
Applications
- Hybrid, electric, and power train systems (EV/HEV)
- Inverter and motor control
- On-board (OBC) and wireless charger
- DC/DC converter
- Motor drives
- AC Inverters and VF Drives, Robot servo drive
- Grid infrastructure
- EV charging station power module
- DC charging (pile) station
- String inverter
- Industrial transport
- Off-highway vehicle's electric drive
Device Comparison Table
Simplified Application
Typical Power-up Sequence
Functional Block Diagram
Publicado: 2024-03-11
| Actualizado: 2025-05-22
