Texas Instruments UCC278x4/UCC278x4-Q1 Gate Drivers
Texas Instruments UCC278x4/UCC278x4-Q1 Gate Drivers are high-speed automotive 230V half-bridge drivers with 3.5A, 4A drive strength and up to 100V/ns noise immunity. These gate drivers feature fast propagation delays and excellent delay matching between both channels. The UCC278x4/UCC278x4-Q1 drivers operate within an 8.5V to 20V VDD supply voltage range and a -40°C to 150°C temperature range. These drivers also feature robust drive with excellent noise and transient immunity, including high dV/dt tolerance (100V/ns), and wide Negative Transient Safe Operating Area (NTSOA). The UCC27884-Q1 devices are AEC-Q100 qualified for automotive applications. These gate drivers are available in the SOIC-8 pin package. The UCC278x4/UCC278x4-Q1 drivers are ideal for motor drives (stepper motors, fans, power tools, robotics, drones, and servos), E-bikes and E-scooters, solar boost and buck-boost MPPT, and microinverters.
Features
- UCC278x4-Q1 AEC-Q100 qualified for automotive applications:
- Device temperature grade 1
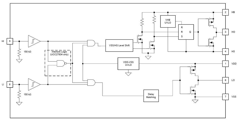
- Dual independent inputs for high-side and low-side drivers with no interlock
- +230V (HB pin) maximum bootstrap voltage
- 8.5V to 20V VDD bias recommended range
- 3.5A source and 4A sink peak output current
- 29ns typical fast propagation delay
- <5ns maximum tight propagation delay matching between HO/LO
- 100V/ns dV/dt immunity
- Low quiescent supply current draw:
- 150µA (typical) on VDD
- 90µA (typical) on HB
- 8V built-in UVLO protection for both high and low side channels
- Floating channel designed for bootstrap operation
- Available in a standard SOIC-8 package
- -40°C to 150°C specified temperature range
Applications
- Motor drive (stepper motors, fans, power tools, robotics, drones, and servos)
- E-bikes and E-scooters
- Solar boost and buck-boost MPPT
- Microinverters
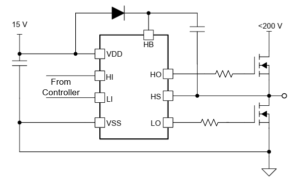
Schematic
Block Diagram
