Texas Instruments UCD7100 Low-Side MOSFET Driver

Texas Instruments UCD7100 Low-Side MOSFET Driver is a digital control compatible driver for applications that use digital control technology that requires fast local peak current limit protection. The UCD7100 is a low-side ±4A high-current MOSFET gate driver. It allows the digital power controllers such as UCD9110 or UCD9501 to interface to the power stage in single-ended topologies. The Texas Instruments UCD7100 provides a cycle-by-cycle current limit function with a programmable threshold and a digital output current limit flag that the host controller can monitor. With a fast 25ns cycle-by-cycle current limit protection, the driver can turn off the power stage in the unlikely event that the digital system does not respond to a failure situation in time.

Features

  • Adjustable current limit protection
  • 3.3V, 10mA internal regulator
  • DSP/µC compatible inputs
  • Single ±4A TrueDrive™high current driver
  • 10ns typical rise and fall times with 2.2nF loads
  • 25ns input-to-output propagation delay
  • 25ns current sense to output delay
  • Programmable current limit threshold
  • Digital output current limit flag
  • 4.5V to 15V supply voltage range
  • Rated from –40°C to 105°C
  • Lead(Pb)-free packaging

Applications

  • Digitally controlled power supplies
  • DC/DC converters
  • Motor controllers
  • Line drivers

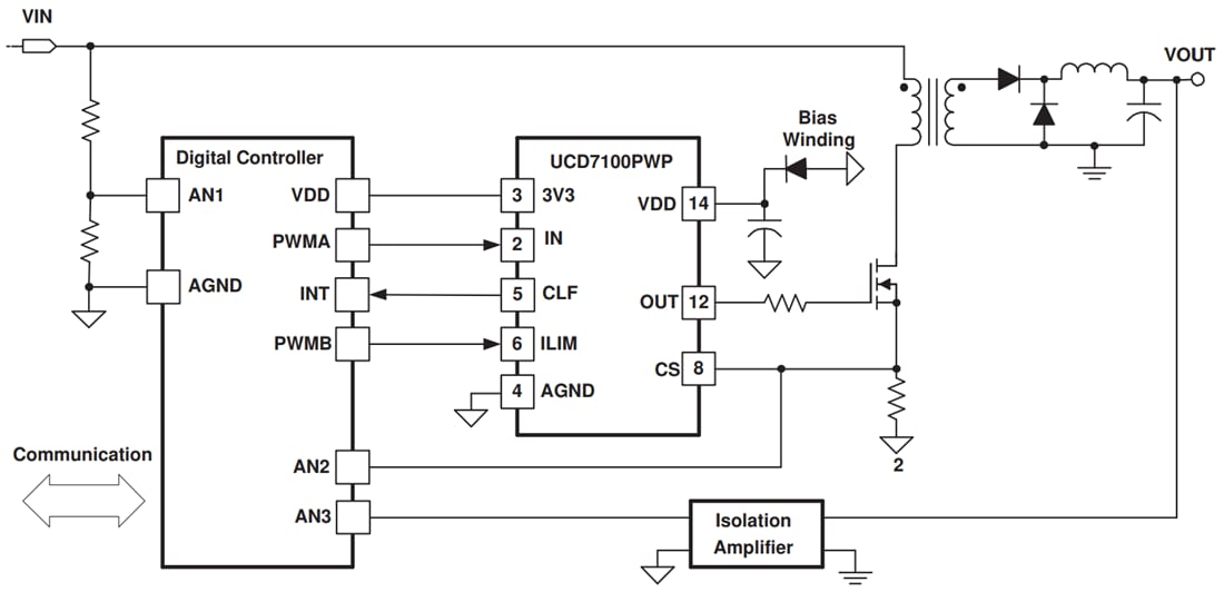
Simplified Schematic

Schematic - Texas Instruments UCD7100 Low-Side MOSFET Driver
Publicado: 2022-02-01 | Actualizado: 2022-03-11