TRACO Power TSR 2N/3N Non-Isolated DC/DC Converters (POL)

TRACO Power TSR 2N/3N Non-Isolated DC/DC Converters (POL) are 2A and 3A step-down switching regulators in a compact SIP-3 plastic package. The TRS 2N and 3N are part of the TSR family, providing a significantly more cost-effective design and construction than their predecessors. These converters feature a 4.6VDC to 36VDC wide input operating range, up to 95% efficiency, and a 1.2VDC to 15VDC output voltage range. The TSR 2N/3N converters protection features include short circuit protection, current limitation, and under-voltage lockout. The highly efficient design allows full load operation up to +95°C ambient temperature (at nominal VIN) without any heat sink or forced cooling. These POL converters are suitable for a wide variety of applications, including battery, instrumentation, and distributed power requirements.

Features

  • Highly cost-efficient design
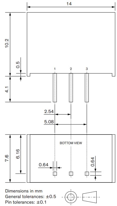
  • 14mm x 7.6mm x 10.2mm compact SIP-3 package
  • Pin compatible with TO-220 package linear regulators
  • Excellent thermal capabilities
  • -40°C to 95°C operation temperature range
  • Up to 95% efficiency
  • 4.6VDC to 36VDC wide input operating range
  • Short circuit protection, current limitation, and under-voltage lockout
  • Excellent line/load regulation
  • 3-year product warranty

Applications

  • Batteries
  • Instrumentation
  • Distributed power requirements

Dimension Diagram

Mechanical Drawing - TRACO Power TSR 2N/3N Non-Isolated DC/DC Converters (POL)
TRACO Power TSR 2N/3N Non-Isolated DC/DC Converters (POL)
View Results ( 18 ) Page
N.º de artículo Hoja de datos Tensión de entrada, nominal Voltaje de entrada - Mín. Voltaje de entrada - Máx. Voltaje de salida-Canal 1 Corriente de salida-Canal 1 Voltaje de entrada
TSR 2-2450N TSR 2-2450N Hoja de datos 12 V 6.5 V 36 V 5 V 2 A 6.5 V to 36 V
TSR 2-24120N TSR 2-24120N Hoja de datos 24 V 15 V 36 V 12 V 2 A 15 V to 36 V
TSR 2-2433N TSR 2-2433N Hoja de datos 12 V 4.6 V 36 V 3.3 V 2 A 4.6 V to 36 V
TSR 2-2490N TSR 2-2490N Hoja de datos 24 V 11 V 36 V 9 V 2 A 11 V to 36 V
TSR 3-2433N TSR 3-2433N Hoja de datos 12 V 4.6 V 36 V 3.3 V 3 A 4.6 V to 36 V
TSR 3-2450N TSR 3-2450N Hoja de datos 12 V 6.5 V 36 V 5 V 3 A 6.5 V to 36 V
TSR 2-2412N TSR 2-2412N Hoja de datos 12 V 4.6 V 28 V 1.2 V 2 A 4.6 V to 28 V
TSR 2-24150N TSR 2-24150N Hoja de datos 24 V 18 V 36 V 15 V 2 A 18 V to 36 V
TSR 2-2415N TSR 2-2415N Hoja de datos 12 V 4.6 V 32 V 1.5 V 2 A 4.6 V to 32 V
TSR 2-2418N TSR 2-2418N Hoja de datos 12 V 4.6 V 36 V 1.8 V 2 A 4.6 V to 36 V
Publicado: 2025-01-14 | Actualizado: 2025-02-18