Vishay / Barry Industries ATC 3-Sided Wraparound Chip Attenuators
Vishay / Barry Industries ATC 3-Sided Wraparound Chip Attenuators offer DC to 5GHz stable attenuation performance, 0 to 30dB attenuation values, and 5W to 30W power ratings. These attenuators feature castellated wraparound terminals and are offered in sizes 2010 and 2525. Three substrate options are provided: Alumina, AlN, or BeO. Multiple substrate options ensure different power requirements can be accommodated. Various terminal metallization options are available to meet different application requirements. Vishay / Barry Industries ATC Attenuators are suitable for military and aerospace RADAR, radio communications, base stations, and satellite communication systems.Features
- Terminal material: matte tin over nickel over silver
- Solder mountable
- Robust thick film construction
- RoHS compliant
Applications
- Aerospace and military RADAR
- Aerospace and military radio communications systems
- Aerospace and military electronic warfare systems
- Satellite communications systems
- Base stations
- Test and measurement
Specifications
- 2010, 2525 case sizes
- 0 to 30dB attenuation range
- 5W to 30W W power range
- Al2O3 (Alumina), AlN, and BeO substrate options
- DC to 5GHz operating frequency range
- -55°C to +155°C temperature range
- 3-sided wraparound castellated termination
Derating Curve
Circuit Diagram
Configuration
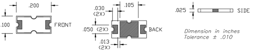
Dimensions
Additional Resources
Publicado: 2022-09-26
| Actualizado: 2024-12-31
