Vishay / Siliconix DG406/DG407 CMOS Analog Multiplexers

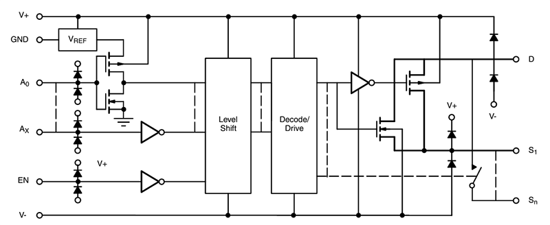
Vishay / Siliconix DG406 and DG407 High-Performance CMOS Analog Multiplexers are ideal for high-speed data acquisition, audio signal switching/routing, ATE systems, and avionics. High performance and low power dissipation make these devices suitable for battery-operated and remote instrumentation applications. The DG406 is a 16-channel single-ended analog multiplexer designed to connect one of 16 inputs to a common output determined by a 4-bit binary address. The DG407 selects one of eight differential inputs to a common differential output. Break-before-make switching action protects against momentary shorting of the inputs.

An on-channel conducts current equally well in both directions. Each channel blocks voltages up to the power supply rails in the off-state. An enable (EN) function allows the user to reset the multiplexer/demultiplexer to all switches off for stacking several devices. All control inputs, address (Ax), and enable (EN) are TTL-compatible over the full specified operating temperature range.

Designed in the 44V silicon-gate CMOS process, the absolute maximum voltage rating is extended to 44V, allowing operation with ±20V supplies. Additionally, a single (12V) supply operation is allowed. An epitaxial layer prevents latchup.

Features

  • Higher accuracy
  • Reduced glitching
  • Improved data throughput
  • Low 0.2mW power, reduced power consumption
  • Increased ruggedness
  • Single supply capability, 44V maximum supply rating
  • Wide ±5V to ±20V supply ranges
  • Low 50Ω on-resistance [RDS(on)]
  • Low 15pC charge injection
  • Fast 200ns transition time (tTRANS)
  • 30mA current (any terminal)
  • -40°C to +85°C operating temperature range
  • 28-pin PLCC or widebody SOIC package options
  • Halogen-free
  • Lead-free and RoHS-compliant available

Applications

  • Data acquisition systems
  • Audio signal routing
  • Medical instrumentation
  • ATE systems
  • Battery-powered systems
  • High-rel systems
  • Single supply systems

Block Diagram/Pin Configurations

Block Diagram - Vishay / Siliconix DG406/DG407 CMOS Analog Multiplexers

Schematic

Vishay / Siliconix DG406/DG407 CMOS Analog Multiplexers
Publicado: 2024-11-23 | Actualizado: 2024-12-04