Vishay General Semiconductor SE60N3x Surface-Mount Standard Rectifiers

Vishay General Semiconductor SE60N3x Surface-Mount Standard Rectifiers are AEC-Q101 qualified, ideal for automated replacement, and offer ESD capability. These rectifiers provide leadless DFN packages with side-wettable flanks suitable for customer Automatic Optical Inspection (AOI). The SE60N3x surface mount standard rectifiers have a single configuration and SMD/SMT mounting style. These rectifiers feature a low-profile package with a typical height of 0.88mm. The SE60N3x rectifiers operate at -55°C to 175°C junction temperature range and 980mV forward voltage and are halogen-free and RoHS-compliant. These rectifiers are used in industries, automotive applications, and power line polarity protection.

Features

  • Low-profile package - typical height of 0.88mm
  • Leadless DFN package with side-wettable flanks suitable for customer AOI (Automatic Optical Inspection)
  • Ideal for automated replacement
  • Oxide planar chip junction
  • Low forward voltage drop
  • Typical IR less than 0.1μA
  • ESD capability
  • Meets MSL level 1, per J-STD-020, LF maximum peak of 260°C
  • AEC-Q101 qualified available
  • Automotive ordering code: base P/NHM3
  • Halogen-free and RoHS-compliant

Specifications

  • -55°C to 175°C junction and storage temperature range
  • 980mV forward voltage
  • 80A maximum surge current
  • 18µA reverse current
  • 400V reverse voltage
  • 6A forward current

Applications

  • General purpose
  • Power line polarity protection
  • Rail-to-rail protection in consumer
  • Industrial
  • Automotive

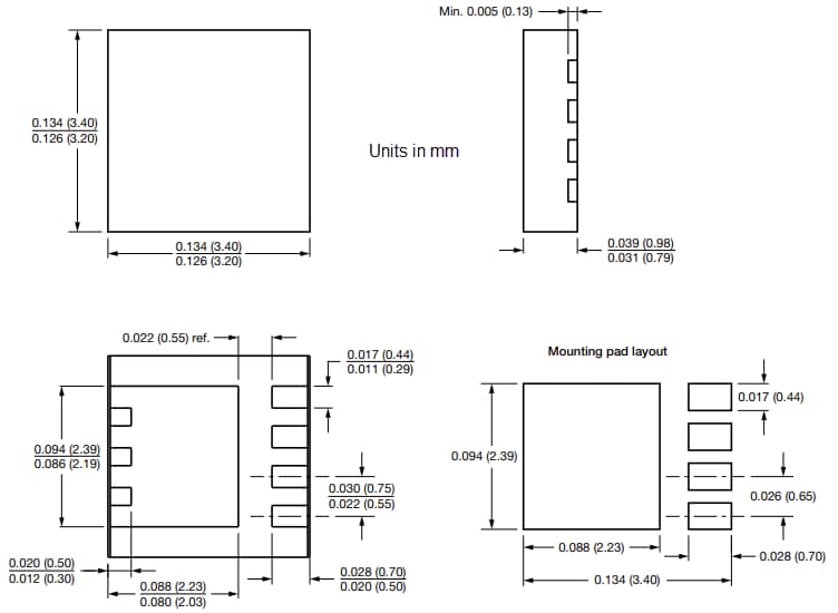
Dimension Diagram

Mechanical Drawing - Vishay General Semiconductor SE60N3x Surface-Mount Standard Rectifiers
Publicado: 2024-02-29 | Actualizado: 2024-12-10