Analog Devices Inc. MAX22217 Solenoid Drivers
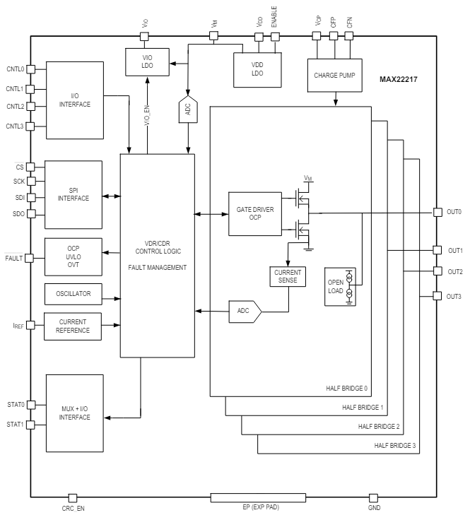
Analog Devices Inc. MAX22217 Solenoid Drivers are intended to drive inductive loads such as on-off solenoid valves, DC motors, proportional valves, bi-stable valves, and relays. These drivers are integrated with four programmable 36V half-bridges. The MAX22217 solenoid drivers operate from -40°C to 125°C ambient temperature range. These drivers integrate functions aimed at optimizing solenoid and DC motor drive control. The MAX22217 features protection circuits, including Over-current Protection (OCP), Overtemperature Protection (OTP), and Undervoltage Lockout (UVLO). These drivers are offered in TQFN32 5mm x 5mm packages. The MAX22217 drivers are ideal for solenoid on-off valves and relays, DC motors, proportional valves, bi-stable latching solenoid valves, digital output interface, and electromechanical motor brakes.Features
- Four serial controlled 36V half-bridges:
- 0.55A DC (TA = 25°C) and 1A full-scale current capability
- Low RON for high-efficiency
- High flexibility:
- Independent channel setting
- High-side/low-side/bridge-tied load configuration/parallel mode supported
- Advanced control methods:
- Voltage/current drive regulation
- Two levels sequencer for power-saving
- DC-motor drive with current limiter
- Dithering function
- Ramp up/down control
- Demagnetization voltage control
- Integrated current sense
- Diagnostic functions:
- Reaction and travel time measurement
- Detection of plunger movements
- Open-load detection
- Inductance measurement
- Digital current sense monitor
- Full set of protections:
- Overcurrent protection
- Thermal protections
- Undervoltage lockout
Applications
- Solenoid on-off valves and relays
- DC motors
- Proportional valves
- Bi-stable latching solenoid valves
- Switching driver with real-time current measurement
- Digital output interface
- Electromechanical motor brake
Block Diagram
Publicado: 2024-07-10
| Actualizado: 2024-07-24
