Analog Devices / Maxim Integrated MAX22212 DC Motor Drivers

Analog Devices / Maxim Integrated MAX22212 DC Motor Drivers integrate a high-current 36V, 7.6AMAX H-Bridge to drive one brushed-DC motor or one half of a stepper motor. The onboard H-Bridge FETs exhibit exceptionally low impedance, leading to high driving efficiency and minimal heat generation. The typical total RON (comprising both high-side and low-side) is 0.125Ω. The Pulse-Width Modulation (PWM) control of the H-Bridge is achieved through three logic inputs: DIN1, DIN2, and EN. The MAX22212 drivers feature an accurate Current-Drive Regulation (CDR) to limit the start-up current of a brushed-DC motor or control the phase current for stepper operation. These drivers support four different decay methods, viz. slow decay, fast decay, and two mixed decay modes. Typical applications include stepper motor drivers, brushed DC motor drivers, solenoid drivers, and latched valves.

Features

  • One H-Bridge with +36V voltage rating:
    • Total RDS(ON) (High-Side + Low-Side): 125mΩ typical (TA = 25°C)
  • Current ratings per H-Bridge (typical at TA = 25°C):
    • IFS_MAX = 7.6A (maximum full-scale current setting for internal current drive regulation)
    • IRMS = 4ARMS recommended maximum RMS current
  • Protections:
    • Overcurrent Protection for each channel (OCP)
    • Undervoltage Lockout (UVLO)
    • Thermal shutdown TJ = 165°C (TSD)
  • Available in a TQFN32 5mm x 5mm package or in a TSSOP28 4.4mm x 9.7mm package
  • Integrated current control:
    • Full-scale DAC current programmable with external resistor
    • Internal Current Sensing (ICS) eliminates external bulky resistors and improves efficiency
    • Current Drive Regulation monitor output pin (CDR pin)
    • Integrated DAC sets the output current from 16 Levels
    • Four decay modes are supported (slow, fast, and two mixed modes)
    • Fixed OFF time configurable with an external resistor
  • Current sense output (current monitor)
  • Fault indicator pin (FAULT)
  • Low power mode (sleep mode)

Applications

  • Stepper-motor driver
  • Brushed DC motor driver
  • Solenoid driver
  • Latched valves

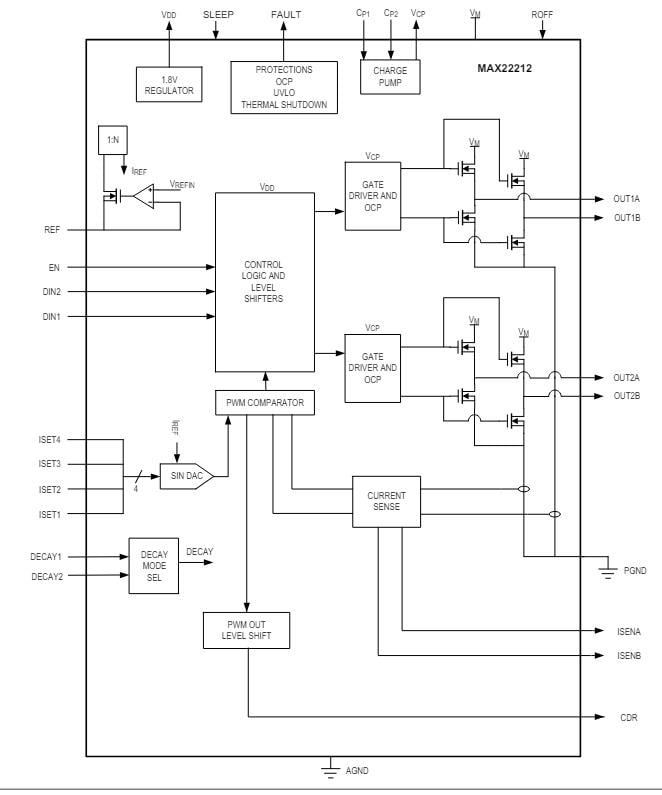
Functional Block Diagram

Block Diagram - Analog Devices / Maxim Integrated MAX22212 DC Motor Drivers
Publicado: 2024-06-28 | Actualizado: 2024-08-05